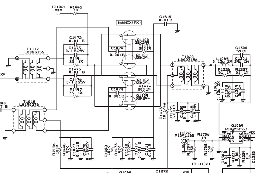
В TS-590S применяется активный смеситель на четверке FET. Измеренные в [1] параметры достаточны высокие - при выключенном УВЧ MDS=-129dBm, IP3=31.5dBm, IMDR3=107dB (BW=500Hz). Это побудило меня заняться анализом этого смесителя. Для начала схема:
В трансивере используется два первых смесителя, т.к. TS-590 прием частот до 21MHz ведется с однокартным преобразование частоты (ПЧ 11MHz, гетеродин "сверху"), а частоты выше 21MHz принимаются с преобразованием вверх (ПЧ 73MHz). На схеме верхний смеситель MIXER1 работает на НЧ диапазонах, а нижний MIXER2 - на ВЧ-бендах.
Смесители по сути представляют из себя хорошо известную ячейку Гильберта без "нижних" транзисторов. Важной особенностью применения активного смесителя является его толерантность к нагрузке, что позволяет нагружать его непосредственно на узкополосный кварцевый фильтр без сложных диплексеров и каскадов согласования.
Оба смесителя "накачиваются" в затворы синусоидальным напряжением гетеродина уровнем +18dBm что на сопротивлении 70R соответствует примерно 3Vpeak. Резисторы с номиналом 10R в цепи затворов являются антипаразитными. Достаточно низкие сопротивления в цепи гетеродина R267/R327 равные 270R необходимы для нивелирования емкости затвора примененных полевых транзисторов 2SK1740 которая составляет 11pF (для сравнения у J310 эта емкость почти в 3 раза ниже и равна 4pF).
Несмотря на схожую схемотехнику эти смесители отличаются друг от друга. Для начала обратим внимание на напряжение Ugs. Видно что оно больше напряжения отсечки. Такое может быть только если неапряжение измеряли при поданном в затворы сигнале гетеродина, а сами транзисторы работают с отсечкой (т.е. в классе AB/B). Моделирование смесителя позволило восстановить токи покоя транзисторов в отсутствии сигнала гетеродина. Они составили 8mA и 2mA соответственно для НЧ и ВЧ смесителя.
Так же обратим внимание что на затворы НЧ-смесителя подано положительное смещение порядка 2,6v. В сервис-мануале сказано что это сделано для устранения дисторсии сигнала. По сути подавая смещение мы перевели работу транзистора в режим AB. НЧ-смеситель имеет коэффициен передачи +1dB. ВЧ-смеситель имеет коэффициен передачи +4dB.
Естественно, что разные режимы работы смесителей приводит к разным результатам. Согласно измерениям [1] при полосе 500Hz получены такие результаты:
НЧ-смеситель 14MHz: MDS=-129dBm, IP3=31.5dBm, IMDR3=107dB
ВЧ-смеситель 28MHz: MDS=-134dBm, IP3=17.5dBm, IMDR3=101dB
Т.е. по сути на ВЧ-бендах мы размениваем динамику на усиление.
Хочется обратить внимание на драйвер гетеродина, используемый в TS-590S
Его коэфф.усиления порядка 20dB при работе на нагрузку 70R (=270R/4), входное сопротивление 50R. Для обеспечения высокой линейности используется два транзистора 2SC5551, каждый из которых работает при Ik=30mA.
Аналогичный по схемотехнике смеситель применяется так же в другом высококачественном трансивере - TenTec Orion II [3].
Литература
1. TS-590S measurements – ALC Overshoot, PAR, MDS and IP3
2. TS-590S RadCom Review
3. TenTec Orion II
Активный смеситель на 4ке полевых транзисторов
Re: Активный смеситель TS-590S
Анализирую service manual были восстановлены следующие покаскадные и общие параметры приемного тракта.
Для НЧ-смесителя:
Для ВЧ-смесителя
Как видно полученные общие параметры хорошо согласуются с измеренными.
Для сравнения ниже приведены параметры входной части приемника с использованием пассивного ключевого смесителя и буферного усилителя между ним и кварцевым фильтром.
В "классическом" тракте использовался высокоуровненвый ключевой смеситель с IIP3=36dB и услитель с IIP3=20dB. Как видим мы получили сопоставимые параметры. При этом "классика" даже несколько выигрывает у активного смесителя по чувствительности.
Для НЧ-смесителя:
Для ВЧ-смесителя
Как видно полученные общие параметры хорошо согласуются с измеренными.
Для сравнения ниже приведены параметры входной части приемника с использованием пассивного ключевого смесителя и буферного усилителя между ним и кварцевым фильтром.
В "классическом" тракте использовался высокоуровненвый ключевой смеситель с IIP3=36dB и услитель с IIP3=20dB. Как видим мы получили сопоставимые параметры. При этом "классика" даже несколько выигрывает у активного смесителя по чувствительности.
Re: Активный смеситель TS-590S
JR1PWZ на своей странице [1] описывает аналогичный по схеме активный смеситель на 2SK125
Смеситель имеет коэфф.передачи -2dB и показал IIP3=31dB
JA9CDE исследовал аналогичный смеситель, но с более высоким коэфф.передачи +4dB, который он получил за счет другого соотношения витков выходного трансформатора
Измеренный автором IIP3 получился около 22dB. По сути по сравнению с предыдущей схемой динамика была разменяна на усиление.
Vasily Ivanenko в своем блоге [3] описывает эксперименты с активным смесителем на 4ке J310 по следующей схеме:
Автор получил коэф.передачи -1.2dB и IIP3=29dB
OE3HKL экспериментировал со смесителем на 8ми полевых транзисторах CP640 [4].
Транзисторы включены по два в параллель. CP640 примерно соответствуют по параметрам отечественным КП903. Автор получил IP3=+40dBm при разносе двухтонального сигнала на 20кГц. При этом коэффициент передачи смесителя составил +8dB. Но при испытании двухтональным сигналом с разносом в 2кГц автор получил деградацию IP3 до +12dBm. Из за этого автор отказался от дальнейшего использования смесителя в пользу ключевого.
Предположительно ухудшение параметров может быть связанно с резонансным характером нагрузки смесителя и повышенным Кус.
Литература
1. JR1PWZ home page
2. JA9CDE home page
3. Vasily Ivanenko, QRP HomeBuilder - QRPHB
4. OE3HKL mixer experiment
Смеситель имеет коэфф.передачи -2dB и показал IIP3=31dB
JA9CDE исследовал аналогичный смеситель, но с более высоким коэфф.передачи +4dB, который он получил за счет другого соотношения витков выходного трансформатора
Измеренный автором IIP3 получился около 22dB. По сути по сравнению с предыдущей схемой динамика была разменяна на усиление.
Vasily Ivanenko в своем блоге [3] описывает эксперименты с активным смесителем на 4ке J310 по следующей схеме:
Автор получил коэф.передачи -1.2dB и IIP3=29dB
OE3HKL экспериментировал со смесителем на 8ми полевых транзисторах CP640 [4].
Транзисторы включены по два в параллель. CP640 примерно соответствуют по параметрам отечественным КП903. Автор получил IP3=+40dBm при разносе двухтонального сигнала на 20кГц. При этом коэффициент передачи смесителя составил +8dB. Но при испытании двухтональным сигналом с разносом в 2кГц автор получил деградацию IP3 до +12dBm. Из за этого автор отказался от дальнейшего использования смесителя в пользу ключевого.
Предположительно ухудшение параметров может быть связанно с резонансным характером нагрузки смесителя и повышенным Кус.
Литература
1. JR1PWZ home page
2. JA9CDE home page
3. Vasily Ivanenko, QRP HomeBuilder - QRPHB
4. OE3HKL mixer experiment
Re: Активный смеситель TS-590S
Покопавшись в интернетах была найдена следующая схема
которая отсылает нас к публикации U.L.Rohde 1976го года
которая отсылает нас к публикации U.L.Rohde 1976го года
Re: Активный смеситель TS-590S и TenTec Orion II
Yaesu в трансивере FTDX-5000 применила два аналогичных смесителя включенных через сплитер/комбинер
Согласно измерениям ARRL Lab IP3 составляет +38-45 dBm и результирующий динамический диапазон получен 110-115 dB
В FT-891 применен смеситель несколько попроще, но на тех же самых двухзатворных потелвых транзисторах (слева верхний вход - сигнал, нижний - гетеродин) Литература
1. FTDX-5000 review in QST 2010 Dec
Согласно измерениям ARRL Lab IP3 составляет +38-45 dBm и результирующий динамический диапазон получен 110-115 dB
В FT-891 применен смеситель несколько попроще, но на тех же самых двухзатворных потелвых транзисторах (слева верхний вход - сигнал, нижний - гетеродин) Литература
1. FTDX-5000 review in QST 2010 Dec