Page 3 of 4
Re: PA 2*RD15HVF1/RD16HHF1 15-30Вт
Posted: 09 Dec 2021, 17:35
by UR5FFR
По цепи питания амперметр. Выкрутите оба подстроечных резисторов на минимум - будет потребление там небольшое предварительными каскадами. Потом добавляете к текущим показаниям одним 250ма, потом другим еще 250ма. При этом вход закорочен, на выходе эквивалент. Если ток меняется не плавно а рывками - значит возбуд словили. Тогда можно попробовать вход выходного каскада по вч заземлить
Re: PA 2*RD15HVF1/RD16HHF1 15-30Вт
Posted: 10 Dec 2021, 12:52
by nibiluk
Получається слідуюча картина, на вході джампер, на виході 50 Ом коли резистори в мінусі 160мА, починаю крутити в плюс, піднімається до 180 мА, а далі різко 670 мА. Чим і як заземлити вхід, щоб не піймати КЗ ?
Re: PA 2*RD15HVF1/RD16HHF1 15-30Вт
Posted: 10 Dec 2021, 13:59
by UR5FFR
Возбуд однозначно. Затворы RD попробуйте на землю 0,1мкф керамику припаять
Re: PA 2*RD15HVF1/RD16HHF1 15-30Вт
Posted: 10 Dec 2021, 16:10
by nibiluk
Не допомогло.
Re: PA 2*RD15HVF1/RD16HHF1 15-30Вт
Posted: 10 Dec 2021, 17:12
by UR5FFR
Попробуйте RC-цепочки затвор-исток убрать. Достаточно конденсатор отпаять например
Re: PA 2*RD15HVF1/RD16HHF1 15-30Вт
Posted: 10 Dec 2021, 21:53
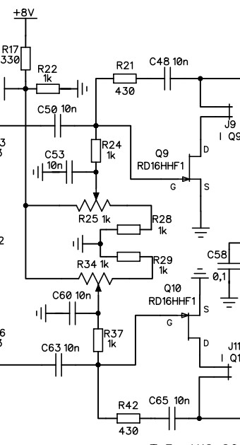
by ur5yfv
nibiluk wrote:Получається слідуюча картина, на вході джампер, на виході 50 Ом коли резистори в мінусі 160мА, починаю крутити в плюс, піднімається до 180 мА, а далі різко 670 мА. Чим і як заземлити вхід, щоб не піймати КЗ ?
Було вже колись таке !

Попробуйте поставьте сопротивление по 1 ком от подстроечника со стороны, которые идут на корпус.
У меня это кусок схемы выглядит так:

- pa.jpg (35.93 KiB) Viewed 15829 times
Изначально тоже было скачками ток прыгал.
Re: PA 2*RD15HVF1/RD16HHF1 15-30Вт
Posted: 10 Dec 2021, 22:47
by UR5FFR
RD легко заводятся если плохая земля. Особенно RD15. Транзисторы должны быть на радиаторе, а сама плата усилителя прикручена к радиатору стойками - тогда будет нормальный контакт по земле. Эквивалент подключать обязательно через коаксиал - никаких проводов
Re: PA 2*RD15HVF1/RD16HHF1 15-30Вт
Posted: 11 Dec 2021, 23:28
by nibiluk
Дякую за поради, з понеділка перевірю, плата на роботі залишилась. А транзистори повинні бути ізольовані від радіатора ?
Re: PA 2*RD15HVF1/RD16HHF1 15-30Вт
Posted: 12 Dec 2021, 00:34
by UR5FFR
У RD исток соединен с выводом радиатора. Поэтому никакой изоляции не надо
Re: PA 2*RD15HVF1/RD16HHF1 15-30Вт
Posted: 13 Dec 2021, 11:12
by nibiluk
Все получилося, нагрузку підключив коаксіалом,з під транзисторів забрав прокладки, а головне заживив від акумулятора а не від блока живлення, і все плавно налаштувалось. Проблеми як завжди від неуважності, дякую ще раз за поради, беруся за плату ФНЧ.