Применение Si5351 не ограничивается только синтезаторостроением. Из нее можно сделать и другие не менее полезные устройства. Например измеритель АЧХ. И то что на выходе не синус а прямоугольник при правильной схемотехнике совершенно не проблема.
Параметры получились такие - диапазон частот 0,1-600MHz. Номинальное выходное напряжение - 0dBm на 50ом. Динамический диапазон 75-85dB - от шумовой дорожки при замкнутом входе до макс. входного сигнала. Есть как 50ти-омный вход так высокоимпедансный (около 4.5ком). Кроме измерения АЧХ прибор может работать в режиме генератора (2 независимые частоты).
Измерения могут проводиться при достаточно сильных уровнях мешающих сигналов и наводок.
Устройство уместилось на платке размером 6*7см. Схема не содержит дефицитных деталей и может быть собрана за вечер. Все управление с компьютера. Подключение по USB-шнурку либо по bluetooth (опционально). Программа управления и построения графиков - оригинальная разработка.
Проект опенсоурсный - схема, печатка и прошивка будут опубликованы позже по мере подготовки и документирования.
А пока - видео работы с анализатором. В качестве "подопытного кролика" выступает двух контурный ДПФ. Варьируя связь между контурами наблюдаем изменение АЧХ
Прошивка в атаче. Софт для управления и документация в отдельной теме
Si5351 Network Analyzer
Si5351 Network Analyzer
- Attachments
-
- Si5351_NWT_Std_UR5FFR.14.01.2019.zip
- (493.58 KiB) Downloaded 3913 times
Re: Si5351 Network Analyzer
При разработке прибора учитывалось то, что сигнал на выходе Si5351 не синусоидальный, а прямоугольный. Как следствие третья гармоника имеет уровень всего на 10дб ниже уровня основной частоты. От нее не отстает пятая и седьмая имеющие уровень -14дб и -17дб. Использовать такой сигнал в традиционной схемотехнике NWT с широкополосным детектором нельзя. Чтобы было понимание насколько искажается форма АЧХ при этом ниже два графика одного и того же полосового фильтра. Красным цветом - правильная АЧХ. Зеленым - АЧХ снятая с использованием широкополосного детектора и прямоугольного сигнала на входе тестируемого устройства. Видно что по форме АЧХ существенно различаются.
Выход напрашивается сам собой - делать измеритель АЧХ по принципу супергетеродинного приемника. При таком построении сигнал гетеродина синхронно изменяется с изменением частоты сигнала подаваемого на вход исследуемого устройства и всегда отличается от нее на частоту ПЧ. Сделать это на Si5351 не составляет труда так как у нее аж целых три независимых генератора.
Такое построение анализатора кроме устранения проблем с несинусоидальной формой сигнала имеет и другое преимущество - ввиду узкополосности измеритель не только нечувствителен к помехам и посторонним сигналам, отличающимся по частоте от частоты на которой проводится измерение, но и имеет более низкий уровень шума, и как следствие более высокий динамический диапазон.
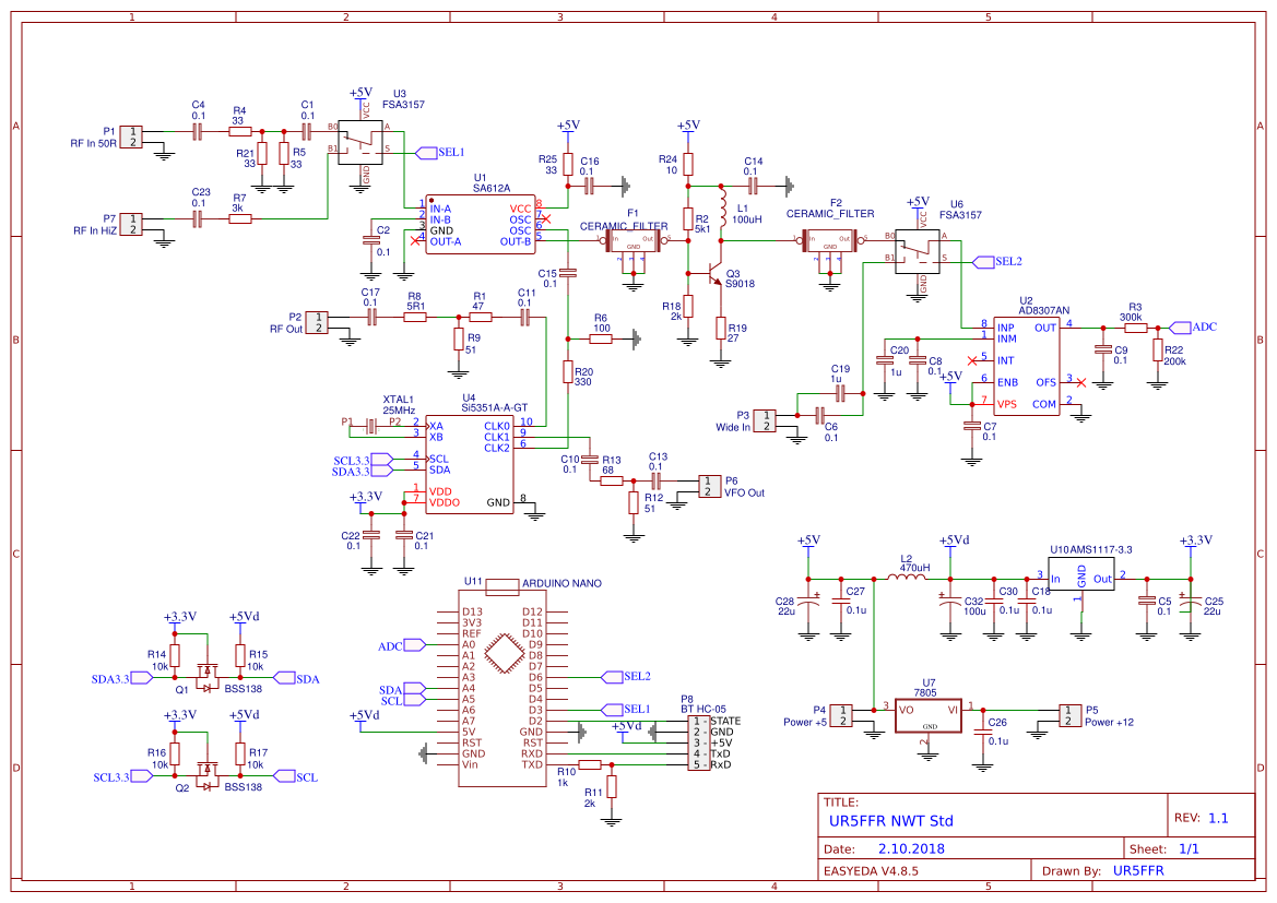
Получилась следующая схема:
Si5351 генерирует испытательный сигнал на разъеме P2 (RF Out) с амплитудой примерно 0 dBm на 50ти омной нагрузке. С выхода исследуемого устройства сигнал подается на вход анализатора. Измеритель АЧХ имеет три входа - два узкополосных и один широкополосный. Узкополосные входы P1 и P7 отличаются импедансом - 50ом и 4,5кОм соответственно. Смеситель реализован на микросхеме SA612. Промежуточная частота выбрана равной 455kHz, что позволило осуществить фильтрацию на дешевых пьезофильтрах F1 и F2. После фильтрации и усиления в УПЧ на Q3, сигнал подается на логарифмический детектор AD8307.
Управление анализатором реализовано на готовом модуле Arduino Nano. На нем лежат функции программирования Si5351, аналого-цифрового преобразования сигнала с детектора и взаимодействия с компьютером.
Кроме двух узкополосных входов анализатор имеет так же широкополосный вход. Он необходим в случаях если исследуемое устройство преобразует входную частоту. Например мы хотим построить сквозную АЧХ приемника. В этом случае сигнал НЧ с приемника подается на широкополосный вход.
Для коммутации входов используются цифровые коммутаторы FSA3157 или 74LVC1G3157. В качестве бонуса анализатор имеет дополнительный выход P5 VFO, на котором может генерироваться сигнал любой требуемой частоты.
Выход напрашивается сам собой - делать измеритель АЧХ по принципу супергетеродинного приемника. При таком построении сигнал гетеродина синхронно изменяется с изменением частоты сигнала подаваемого на вход исследуемого устройства и всегда отличается от нее на частоту ПЧ. Сделать это на Si5351 не составляет труда так как у нее аж целых три независимых генератора.
Такое построение анализатора кроме устранения проблем с несинусоидальной формой сигнала имеет и другое преимущество - ввиду узкополосности измеритель не только нечувствителен к помехам и посторонним сигналам, отличающимся по частоте от частоты на которой проводится измерение, но и имеет более низкий уровень шума, и как следствие более высокий динамический диапазон.
Получилась следующая схема:
Si5351 генерирует испытательный сигнал на разъеме P2 (RF Out) с амплитудой примерно 0 dBm на 50ти омной нагрузке. С выхода исследуемого устройства сигнал подается на вход анализатора. Измеритель АЧХ имеет три входа - два узкополосных и один широкополосный. Узкополосные входы P1 и P7 отличаются импедансом - 50ом и 4,5кОм соответственно. Смеситель реализован на микросхеме SA612. Промежуточная частота выбрана равной 455kHz, что позволило осуществить фильтрацию на дешевых пьезофильтрах F1 и F2. После фильтрации и усиления в УПЧ на Q3, сигнал подается на логарифмический детектор AD8307.
Управление анализатором реализовано на готовом модуле Arduino Nano. На нем лежат функции программирования Si5351, аналого-цифрового преобразования сигнала с детектора и взаимодействия с компьютером.
Кроме двух узкополосных входов анализатор имеет так же широкополосный вход. Он необходим в случаях если исследуемое устройство преобразует входную частоту. Например мы хотим построить сквозную АЧХ приемника. В этом случае сигнал НЧ с приемника подается на широкополосный вход.
Для коммутации входов используются цифровые коммутаторы FSA3157 или 74LVC1G3157. В качестве бонуса анализатор имеет дополнительный выход P5 VFO, на котором может генерироваться сигнал любой требуемой частоты.
Re: Si5351 Network Analyzer
Анализатор собран на плате размер 6*7см. Монтаж односторонний. Верхний слой - земля. Присутствуют 4 перемычки.
Использованы SMD компоненты размера 1206. SA612 и AD8307 в корпусах SO-8. Si5351 установлена на переходную колодку т.к. выполнить качественно площадки под ее корпус средствами ЛУТ проблематично.
Смеситель и детектор закрыты экраном для уменьшения паразитных наводок.
Компоненты и их возможные замены.
SA612 можно заменить на SA602.
УПЧ Q3 - любой ВЧ транзистор (например 2N2222, 2N3903).
Керамические фильтры я использовал такие:
Можно использовать любые другие пятиштырьковые. Центральная частота у них должна совпадать, полоса пропускания некритична, но предпочтительно узкополосные (буквы H, I)
Ключи FSA3157 или 74LVC1G3157 - у них одинаковая распиновка.
BSS138 можно заменить на 2N7000, 2N7002 или другие N-канальные MOSFETы. Основное требование к ним - у них обязательно должен быть внутри защитный диод. Иначе схема сдвига уровней работать не будет.
Стабилизатор AMS1117-3.3 - любой лоудроп на 3.3 вольта.
Кварц для Si5351 - любая "лодочка" с частотой в диапазоне 25-35MHz. Частота указывается в скетче но может быть переопределена при калибровке прибора
В атаче комплект документации для изготовления печатной платы. Верхняя сторона - земля. В архиве есть шаблон для ЛУТа, но можно и просто раззенковать отверстия при сверловке. Перемычки между верхней и нижней "землей" не показаны. Их необходимо сделать примерно 4-5 штук.
Так же в атаче программа отрисовки графиков и исходник прошивки. Для компиляции и заливки нужна среда Arduino IDE.
В случае если прибор планируется использовать только для исследования линейных устройств, то есть частота сигнала на выходе устройства равна частоте на входе, например ДПФ и КФ, то схему можно еще более упростить исключив коммутаторы и пожертвовав широкополосным входом и одним из узкополосных.
Использованы SMD компоненты размера 1206. SA612 и AD8307 в корпусах SO-8. Si5351 установлена на переходную колодку т.к. выполнить качественно площадки под ее корпус средствами ЛУТ проблематично.
Смеситель и детектор закрыты экраном для уменьшения паразитных наводок.
Компоненты и их возможные замены.
SA612 можно заменить на SA602.
УПЧ Q3 - любой ВЧ транзистор (например 2N2222, 2N3903).
Керамические фильтры я использовал такие:
Можно использовать любые другие пятиштырьковые. Центральная частота у них должна совпадать, полоса пропускания некритична, но предпочтительно узкополосные (буквы H, I)
Ключи FSA3157 или 74LVC1G3157 - у них одинаковая распиновка.
BSS138 можно заменить на 2N7000, 2N7002 или другие N-канальные MOSFETы. Основное требование к ним - у них обязательно должен быть внутри защитный диод. Иначе схема сдвига уровней работать не будет.
Стабилизатор AMS1117-3.3 - любой лоудроп на 3.3 вольта.
Кварц для Si5351 - любая "лодочка" с частотой в диапазоне 25-35MHz. Частота указывается в скетче но может быть переопределена при калибровке прибора
В атаче комплект документации для изготовления печатной платы. Верхняя сторона - земля. В архиве есть шаблон для ЛУТа, но можно и просто раззенковать отверстия при сверловке. Перемычки между верхней и нижней "землей" не показаны. Их необходимо сделать примерно 4-5 штук.
Так же в атаче программа отрисовки графиков и исходник прошивки. Для компиляции и заливки нужна среда Arduino IDE.
В случае если прибор планируется использовать только для исследования линейных устройств, то есть частота сигнала на выходе устройства равна частоте на входе, например ДПФ и КФ, то схему можно еще более упростить исключив коммутаторы и пожертвовав широкополосным входом и одним из узкополосных.
Re: Si5351 Network Analyzer
После сборки подключаем анализатор USB-шнурком к компьютеру, открывает проект NWT.ino в Arduino IDE, прописываем частоту примененного кварца в константе SI5351_CALIBRATION и заливаем прошивку. После этого открываем окно монитора COM-порта, выбираем скорость обмена 115200 бод и CR для конца строки. Анализатор после рестарта должен ответить версией прошивки - "1.0".
Далее вводим команду f1000000.
На выходе анализатора должен быть прямоугольный сигнал частотой 1MHz амплитудой примерно 200-300mV. Если сигнала нет то заливаем сектч i2c_scan.ino (гугль) и проверяем есть ли связь с Si5351.
Проблемы могут быть в конверторе лог.уровней на полевых транзисторах начиная от банального непропая, не вымытого флюса и заканчивая пробитыми транзисторами.
Если частота отличается от 1MHz то проверяем кварц и правильно ли прописана частота в скетче.
Соединяем узкополосный 50ти-омный вход с выходом прибора и контролируем форму сигнала на коллекторе УПЧ Q3. Синусоида должна быть чистая, без срезанных верхушек. В случае искажения формы синусоиды корректируем режим работы транзистора уменьшая сопротивление R20. На коллекторе Q3 должно быть 2.4-2.5V.
Вводим команду r0 10. Анализатор должен ответить примерно так:
Если анализатор выдаст числа по значению большие чем 5000 необходимо несколько уменьшить номинал резистора R22.
После этих проверок запускаем программу управления анализатором и проверяем его работу в различных режимах.
Далее вводим команду f1000000.
На выходе анализатора должен быть прямоугольный сигнал частотой 1MHz амплитудой примерно 200-300mV. Если сигнала нет то заливаем сектч i2c_scan.ino (гугль) и проверяем есть ли связь с Si5351.
Проблемы могут быть в конверторе лог.уровней на полевых транзисторах начиная от банального непропая, не вымытого флюса и заканчивая пробитыми транзисторами.
Если частота отличается от 1MHz то проверяем кварц и правильно ли прописана частота в скетче.
Соединяем узкополосный 50ти-омный вход с выходом прибора и контролируем форму сигнала на коллекторе УПЧ Q3. Синусоида должна быть чистая, без срезанных верхушек. В случае искажения формы синусоиды корректируем режим работы транзистора уменьшая сопротивление R20. На коллекторе Q3 должно быть 2.4-2.5V.
Вводим команду r0 10. Анализатор должен ответить примерно так:
Code: Select all
4791
4793
4791
4789
4788
4788
4793
4791
4788
4792
После этих проверок запускаем программу управления анализатором и проверяем его работу в различных режимах.
Re: Si5351 Network Analyzer
Простейший измерительный стенд для настройки кварцевых фильтров
И его применение: Делаем QER SSB фильтр за полчаса
И его применение: Делаем QER SSB фильтр за полчаса
Re: Si5351 Network Analyzer
С помощью Si5351 Network Analyzer очень просто измерить параметры кварцевого резонатора. Для этого подключаем его между выходом NWT и низкоомным входом. Получаем вот такую картинку
больше измерений и примеров в теме Измерение параметров кварцевых резонаторов
больше измерений и примеров в теме Измерение параметров кварцевых резонаторов
Re: Si5351 Network Analyzer
Еще немного информации по запуску и калибровке.
0. Запустить ардуино IDE, открываем проект NWT.ino в Arduino IDE, прописываем частоту примененного кварца в константе SI5351_CALIBRATION и заливаем прошивку
1. В ардуино IDE открыть монитор порта. Выставить там параметры 115200 бод и CR для конца строки.
2. Рестартануть NWT. В мониторе порта должна появиться версия прошивки (1.0).
3. Вводим команду
c<enter>
на выходе nwt должна появиться точная частота примененного кварца. Измеряем ее и прописываем в константу SI5351_CALIBRATION. Еще раз заливаем прошивку
4. Вводим команду
f 5000000<enter>
на выходе nwt должна появиться частота 5MHz.
5. Вводим команду
r0 10<enter>
в мониторе должно появиться 10 значений считанных с ацп.
При соединенном вход-выход значения должны быть примерно 4400-4800. При разомкнутом входе - меньше 1500.
6. Запускаем программу NWT, выбираем com-порт, нажимем Open. В заголовке окна должна появиться версия firmware.
7. Нажимаем кнопку Calibration, выбираем закладку XTal frequency, вводим измеренное ранее значение частоты кварца в поле. Нажимаем Save
8. Теперь надо правильно откалиброваться по амплитуде. Нужно спаять аттенюатор на 40дб. Становимся на закладку Detector slope. Соединяем выход с narrow port 50R. Жмем Step1. Ждем пока закончит калибровку. Потом соединяем выход с тем же входом через 40дб аттенюатор. Жмем Step2. Дожидаемся завершения.
Калибровка detector slope проводится однократно. При ее проведении программа точно вычисляет наклон передаточной характеристики примененной AD8307
9. Далее делаем калибровку Narrow/NarrowHiZ,Wide. По сути мы калибруем "ноль" - смещение графика АЧХ вверх/вниз. Такую калибровку имеет смысл проводить перед каждой сессией измерений, так как напряжение USB плавает в пределах от 4 до 5 вольт, что приводит к изменению положения "нуля".
10. Прибор готов к работе.
Калибровку портов желательно делать перед сессией измерений т.к. есть зависимость от напряжения питания USB которое часто отличается от 5в
0. Запустить ардуино IDE, открываем проект NWT.ino в Arduino IDE, прописываем частоту примененного кварца в константе SI5351_CALIBRATION и заливаем прошивку
1. В ардуино IDE открыть монитор порта. Выставить там параметры 115200 бод и CR для конца строки.
2. Рестартануть NWT. В мониторе порта должна появиться версия прошивки (1.0).
3. Вводим команду
c<enter>
на выходе nwt должна появиться точная частота примененного кварца. Измеряем ее и прописываем в константу SI5351_CALIBRATION. Еще раз заливаем прошивку
4. Вводим команду
f 5000000<enter>
на выходе nwt должна появиться частота 5MHz.
5. Вводим команду
r0 10<enter>
в мониторе должно появиться 10 значений считанных с ацп.
При соединенном вход-выход значения должны быть примерно 4400-4800. При разомкнутом входе - меньше 1500.
6. Запускаем программу NWT, выбираем com-порт, нажимем Open. В заголовке окна должна появиться версия firmware.
7. Нажимаем кнопку Calibration, выбираем закладку XTal frequency, вводим измеренное ранее значение частоты кварца в поле. Нажимаем Save
8. Теперь надо правильно откалиброваться по амплитуде. Нужно спаять аттенюатор на 40дб. Становимся на закладку Detector slope. Соединяем выход с narrow port 50R. Жмем Step1. Ждем пока закончит калибровку. Потом соединяем выход с тем же входом через 40дб аттенюатор. Жмем Step2. Дожидаемся завершения.
Калибровка detector slope проводится однократно. При ее проведении программа точно вычисляет наклон передаточной характеристики примененной AD8307
9. Далее делаем калибровку Narrow/NarrowHiZ,Wide. По сути мы калибруем "ноль" - смещение графика АЧХ вверх/вниз. Такую калибровку имеет смысл проводить перед каждой сессией измерений, так как напряжение USB плавает в пределах от 4 до 5 вольт, что приводит к изменению положения "нуля".
10. Прибор готов к работе.
Калибровку портов желательно делать перед сессией измерений т.к. есть зависимость от напряжения питания USB которое часто отличается от 5в
Re: Si5351 Network Analyzer
Реализовано измерение на третьей гармонике, что позволило расширить частотный диапазон до 600MHz.
Обновлена прошивка и софт в первом посте.
После обновления прошивки необходимо заново провести калибровку "нуля" по обеим входам. Slope и частоту перекалибровывать не надо.
Обновлена прошивка и софт в первом посте.
После обновления прошивки необходимо заново провести калибровку "нуля" по обеим входам. Slope и частоту перекалибровывать не надо.
Re: Si5351 Network Analyzer
Обновлена программа до версии 1.5. Добавлен режим измеренеия и подбора кварцевых резонаторов (см. Подбор кварцевых резонаторов для фильтров)
Re: Si5351 Network Analyzer
1. Обновлена схема (устранены некоторые неточности)
2. Выложена печатка с разделенной аналоговой и цифровой землей что уменьшает шумовую дорожку. В этой версии разводки платы изменено назначение выходов Si5351 по сравнению с первой версией - прошивки отличаются
Все в атаче в первом посте тему
2. Выложена печатка с разделенной аналоговой и цифровой землей что уменьшает шумовую дорожку. В этой версии разводки платы изменено назначение выходов Si5351 по сравнению с первой версией - прошивки отличаются
Все в атаче в первом посте тему