Составной транзистор - это пара из двух транзисторов по следующим схемам
В случае Дарлингтона используются транзисторы одной проводимости, в случае Шиклаи - разной. Важно обратить внимание на эквивалентные выводы такого составного транзистора. Например схема изображенная слева это эмиттерный повторитель, а не каскад с общим эмиттером, как может показаться на первый взгляд. И как следствие она не усиливает сигнал по напряжению а только по току и имеет коэффициент передачи по напряжению порядка 0,99.
Пара Дарлингтона имеет несколько больший суммарный коэффициент передачи тока, но по некоторым данным [1,2] пара Шиклаи имеет меньшие нелинейные искажения. В частности в [2] утверждается что применение пары Шиклаи позволяет на 10-15 дб увеличить ДД по интермодуляции.
Пару Дарлингтона можно повсеместно встретить в ВЧ усилителях если заглянуть "под капот" MMIC усилителей. Типичная схема выглядит так
Литература
1. Compound Pair Vs. Darlington Pairs by Rod Elliott (есть частичный перевод на русский)
2. 1. Бобков А.М. Реальная избирательность РПТ в сложной помеховой обстановке, 2001
Составные транзисторы - пары Darlington и Sziklai
Re: Составные транзисторы - пары Darlington и Sziklai
Схема Шиклаи (Sziklai pair, complementary feedback pair (CFP)) как-то менее распространена. Попробуем заполнить этот пробел 
На следующем рисунке слева изображена схема эмиттерного повторителя на паре Шиклаи с Кус~=1. Если мы заменим резистор Rэ на два R1R2, таким образом введя в контур ООС делитель то мы получим схему изображенную справа, которая уже обладает усилением большим 1. Для нее Кус=1+R1/R2.
При этом схема сохраняет все основные свойства эмиттерного повторителя - высокое входное сопротивление и очень низкое выходное (порядка единиц ом и менее). В качестве первого транзистора может быть применен полевой транзистор соответствующей проводимости. Такая схема получила широкое распространение в измерительной аппаратуре для реализации высокоомных щупов. Небольшой калейдоскоп схем (неправильных, но об этом ниже)
Так почему же эти схемы я назвал неправильными? В случае работы на коаксиальный кабель они не согласованы с его волновым сопротивлением и нагрузкой, так как их выходное сопротивление, как я уже говорил выше, составляет единицы/доли ома. Поэтому на их выходе нужно включить резистор с номиналом равным сопротивлению примененного кабеля и входным сопротивлением устройства к которому мы подключаем щуп. Обычно это 50ом.
Например в усилителе для штыревой антенны в приемнике RX2121AM [1] такой резистор стоит, так как если его исключить то рассыпется АЧХ ДПФ, которые предназначены для работы в 50ти омном тракте
Я не одинок в своем мнении - в сети можно найти достаточно старую схему активного усилителя для антенны. Обратите внимание на резистор номиналом 56ом на выходе для согласования с кабелем и входным импедансом приемника
Интересно, что в этом усилителе второй транзистор заменен все на ту же пару Шеклаи. Такая замена имеет смысл на ВЧ так как проще найти мощный npn-транзистор, чем pnp. В эмиттер второго транзистора (pnp) включен резистор который создает локальную ООС и улучшает линейность усилителя.
Замена понятна из следующего рисунка
Литература
1. Приемник коротковолновика-наблюдателя RX2121AM
На следующем рисунке слева изображена схема эмиттерного повторителя на паре Шиклаи с Кус~=1. Если мы заменим резистор Rэ на два R1R2, таким образом введя в контур ООС делитель то мы получим схему изображенную справа, которая уже обладает усилением большим 1. Для нее Кус=1+R1/R2.
При этом схема сохраняет все основные свойства эмиттерного повторителя - высокое входное сопротивление и очень низкое выходное (порядка единиц ом и менее). В качестве первого транзистора может быть применен полевой транзистор соответствующей проводимости. Такая схема получила широкое распространение в измерительной аппаратуре для реализации высокоомных щупов. Небольшой калейдоскоп схем (неправильных, но об этом ниже)
Так почему же эти схемы я назвал неправильными? В случае работы на коаксиальный кабель они не согласованы с его волновым сопротивлением и нагрузкой, так как их выходное сопротивление, как я уже говорил выше, составляет единицы/доли ома. Поэтому на их выходе нужно включить резистор с номиналом равным сопротивлению примененного кабеля и входным сопротивлением устройства к которому мы подключаем щуп. Обычно это 50ом.
Например в усилителе для штыревой антенны в приемнике RX2121AM [1] такой резистор стоит, так как если его исключить то рассыпется АЧХ ДПФ, которые предназначены для работы в 50ти омном тракте
Я не одинок в своем мнении - в сети можно найти достаточно старую схему активного усилителя для антенны. Обратите внимание на резистор номиналом 56ом на выходе для согласования с кабелем и входным импедансом приемника
Интересно, что в этом усилителе второй транзистор заменен все на ту же пару Шеклаи. Такая замена имеет смысл на ВЧ так как проще найти мощный npn-транзистор, чем pnp. В эмиттер второго транзистора (pnp) включен резистор который создает локальную ООС и улучшает линейность усилителя.
Замена понятна из следующего рисунка
Литература
1. Приемник коротковолновика-наблюдателя RX2121AM
Re: Составные транзисторы - пары Darlington и Sziklai
Высокое входное сопротивление не всегда нужно. Можно конечно поставить параллельно входу резистор на землю и получить требуемый импеданс, но "это не наш метод" (с) 
Попробуем получить требуемое входное сопротивление введением ООС. Схема
Усиление составляет Gain=1+R7/R5. Входное сопротивление зависит от Gain и R3, и не зависит от нагрузки! В случае если R8=R9 то Rin=R3/(Gain+1). Если R9 > R8 то формула более сложная Rin=R3/(Gain*R8/R9+1). Эти формулы приблизительные и не учитывают влияние R1 и входного сопротивления Q1, но их вполне достаточно для прикидки каскада.
Такая схема мне не встречалась и на мой взгляд обладает новизной. Ее можно использовать как post-mixer amplifier между смесителем и КФ
Попробуем получить требуемое входное сопротивление введением ООС. Схема
Усиление составляет Gain=1+R7/R5. Входное сопротивление зависит от Gain и R3, и не зависит от нагрузки! В случае если R8=R9 то Rin=R3/(Gain+1). Если R9 > R8 то формула более сложная Rin=R3/(Gain*R8/R9+1). Эти формулы приблизительные и не учитывают влияние R1 и входного сопротивления Q1, но их вполне достаточно для прикидки каскада.
Такая схема мне не встречалась и на мой взгляд обладает новизной. Ее можно использовать как post-mixer amplifier между смесителем и КФ
Re: Составные транзисторы - пары Darlington и Sziklai
Использование пары Шеклаи иногда может привести к достаточно нетривиальным схемотехническим решениям.
Рассмотри каскодный усилитель на рисунке 1. нижний транзистор включен по схеме с общим эмиттером, а верхной - с общей базой. За счет этого минимизируется влияние емкости перехода коллектор-база (эффект Миллера), улучшается широкополосность и развязка входа с выходом. Но для хорошей работы такому усилителю нужно в два раза большее напряжение питания, так как транзисторы по постоянному току включены последовательно.
Чтобы улучшить параметры при низком напряжении питания переделаем схему чтобы транзисторы по постоянному току работали параллельно - рисунок 2. При этом транзистор работающий с включением ОБ стал другой проводимости.
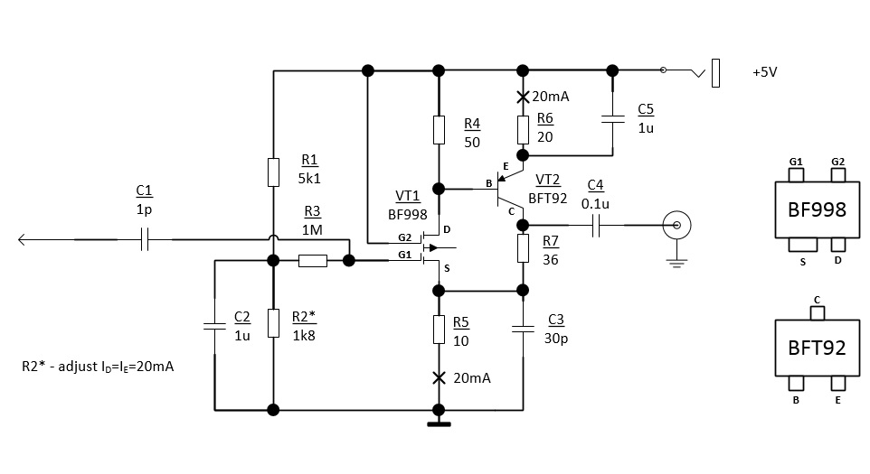
Для снижения искажений и увеличения выходной мощности умощним его заменив на пару Шеклаи - рисунок 3. Этот усилитель представляет собой все тот же самый каскод ОЭ-ОБ, хотя внешне от кардинально отличается от привычного вида каскодного усилителя
Рассмотри каскодный усилитель на рисунке 1. нижний транзистор включен по схеме с общим эмиттером, а верхной - с общей базой. За счет этого минимизируется влияние емкости перехода коллектор-база (эффект Миллера), улучшается широкополосность и развязка входа с выходом. Но для хорошей работы такому усилителю нужно в два раза большее напряжение питания, так как транзисторы по постоянному току включены последовательно.
Чтобы улучшить параметры при низком напряжении питания переделаем схему чтобы транзисторы по постоянному току работали параллельно - рисунок 2. При этом транзистор работающий с включением ОБ стал другой проводимости.
Для снижения искажений и увеличения выходной мощности умощним его заменив на пару Шеклаи - рисунок 3. Этот усилитель представляет собой все тот же самый каскод ОЭ-ОБ, хотя внешне от кардинально отличается от привычного вида каскодного усилителя
Re: Составные транзисторы - пары Darlington и Sziklai
Возьмем 2ю схему из предыдущего поста, перевернем ее, а чтобы не изменять полярность питания заменим транзисторы на комплементарные. Далее первый транзистор заменим на составной по схеме Шиклаи. Получим следующую цепочку. Усилитель на схеме 3 похож на диффкаскад. Но таковым не является