На доске ur8lv продают Yaesu FT-107M почти за 4 сотни зеленых президентов. Цена как на мой взгляд слегонца завышенная за такого динозавра, место которому больше в музее. ГПД с параметрической стабилизаций "забудьте про цифровые моды". Преобразование вниз и узкие фильтра, толку от которых на поверку ноль. А все потому, что тракт построен без оглядки на динамику.
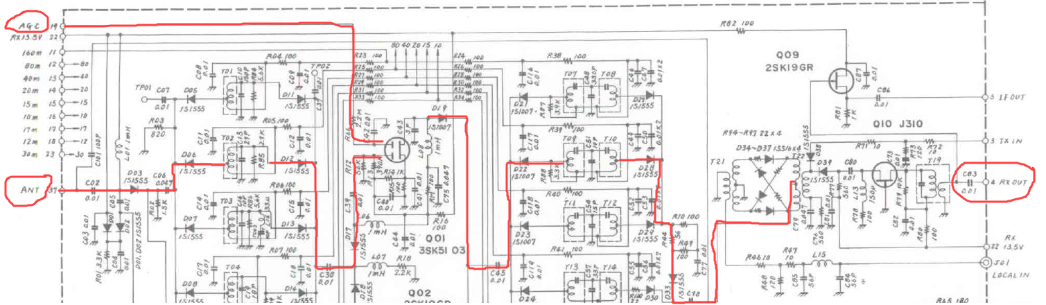
Вот схема фронэнда из сервис мануала
Сигнал с антенны подается на однокотурный ПФ который полностью включен в затвор неотключаемого УВЧ. Нагрузкой УВЧ служат двухконтурные ПФ, далее стоит обычный кольцевой диодный смеситель. И чтобы еще больше угробить динамику в УВЧ на второй затвор заведен сигнал АРУ, который снижает усиление за счет уменьшения крутизны транзистора при уменьшении тока стока. А как известно чем меньше ток рабочей точки, тем хуже динамика каскада.
В общем типичный пример того как не надо делать фронтэнд. Возможно 40 лет назад такое прокатывало, но сейчас надо признать что 80е давно закончились. Так что аппарат может представлять разве что ретро-интерес для коллекционеров и любителеь олдскульной техники.