Добрый день, Андрей!
У меня пара вопросов по Вашей, понравившейся мне "Стрекозе", точнее ее RХ-тракту. Вопросы начинающего, так что извините за прямоту и простоту неграмотности.
1. Вот, при таком нестандартном включении ТА7358, каким образом можно согласовать КФ (подчисточный 4-х крист. с регулируемой ПП от "Дружбы-М" Абрамова-Тележникова, у него вроде Rвх/вых вроде 270 Ом, ). На землю пустить сопротивление перед конденсатором входа 10н R=270 Ом? В трансивере SW-2012 после полевика 1 кОм стоит, это то и смущает - какое там по входу сопротивление в микросхеме и какое ставить для согласования? Или другие схемные варианты есть?
2. Вот, например, эта м/с у меня работает в тракте первой ПЧ (F=8864 кГц). КФ подключен к первому затвору 2-х затв. полевика. А выход этого каскада (в стоке - резонансный контур) идет далее на вход ТА7368 (2 ножка по Вашей схеме). Вот как согласовывать такую схему? И как к полевику по первому затвору КФ правильно подключить с учетом Rвых КФ? Я планирую на входе полевика поставить контур (с отводом или с катушкой связи), катушка связи идет на КФ, а резонансная часть контура - на затвор. Ставить там по выходу КФ с R=270 Ом? Или как?
3. Работа Вашей динамической нагрузки в виде транзистора на выходе понятна. Кварц с указанными номиналами конденсаторов я успешно запусил - до этого напрямую на землю с ножки 8 генерация была только с кварцами частотой выше 20 МГц. Но, для получения второй ПЧ=500 кГц, у меня соответственно стоит кварц на 8364 кГц. Как в таком случае должен быть включен этот транзистор? Меняется ли при этом схема и номиналы? Чтобы далее полученную ПЧ=500 кГц усилить, продедектировать следующим УПЧ-2...
И диод в этом каскаде по выходу ПЧ-1 кремниевый?
Ответьте. пожалуйста. С уважением, ins!
Трансивер с двумя ПЧ
Re: Трансивер "Стрекоза"
1. за согласование КФ отвечают резисторы R18R6. они должны быть равны характеристическому сопротивлению фильтра
2. рисуйте схему - будем согласовывать. так не особо понятно что и куда подключено
3. схема с динамической нагрузкой смесителя имеет смысл только в случае если мы детектируем в НЧ. если идет преобразование 8МГц->500кГц то 6ю лапку на питание +6в через дроссель в 500мкг - он и будет нагрузкой смесителя
2. рисуйте схему - будем согласовывать. так не особо понятно что и куда подключено
3. схема с динамической нагрузкой смесителя имеет смысл только в случае если мы детектируем в НЧ. если идет преобразование 8МГц->500кГц то 6ю лапку на питание +6в через дроссель в 500мкг - он и будет нагрузкой смесителя
Re: Трансивер "Стрекоза"
Добрый день. Александр Николаевич!
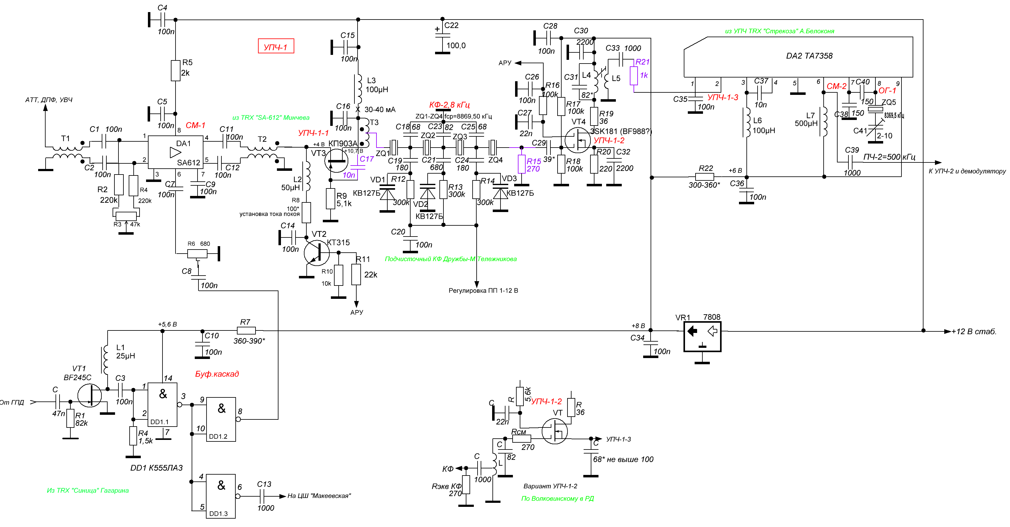
Вот, уточняю предыдущий пост, как вы указывали - привожу схему. Замечу, что речь идет только о приемном тракте. Он с двойным преобразованием частоты, не уточняю, почему он не с преобразованием вверх (об этом много писалось, а вопросы лежат в другом аспекте). Показана схема только УПЧ-1 с преобразователями (СМ-1, СМ-2), кварцевым фильтром (КФ) и др. - все основные узлы обозначены красным текстом. В общем, схема из кусков (откуда они взяты - выделено зеленым). Вопросные места - выделены розовым. Вот эти вопросы:
1. С17 в схеме УПЧ-1-1 нужен? Он у Минчева не приводится, а в других схемах и у др. авторов есть.
2. Согласование КФ: по входу с транс-ра Т3, подключение КФ правильно? Какие-то дополнения нужны? Скажем, R эквививалентый по входу КФ, как и R15=270 Ом; по R15 тот же вопрос - правильно включен?
3. Схема УПЧ-1-2 на 2-затворнике VT4 взята с автомагнитолы, сверена с даташитом типичного включения в УКВ приемнике на LA1185. Поэтому номиналы не менял. Надо ли? Можно ли и нужно ли ставить другой транзистор, например BF964, -998 и проч.?
4. Согласование этого каскада на VT4 со входом микросхемы DA2 ТА7358 (ее аналог - LA1185, пишут, что она якобы лучше по шумам). Так вот, там стоит R21. Правильно ли? номинал? или как то схематически по другому? Сигнал взят с катушки связи L5, виnков 5-6 сверху L4.
5. Внизу схемы показан вариант подключения выхода КФ. Может так лучше, или даже полный контур с катушкой связи в сторону КФ взять за основу?
Вообще, по мне, чем меньше моточных узлов, тем лучше. Встречаю часто прямое, как сейчас на схеме, через емкость С29 подключение КФ к затвору. Это как? лучше? А вот в TRX Дружба-М поставлен полный контур...
Помогите, пожалуйста, что есть ху..же (лучше).
С уважением, INS.
Вот, уточняю предыдущий пост, как вы указывали - привожу схему. Замечу, что речь идет только о приемном тракте. Он с двойным преобразованием частоты, не уточняю, почему он не с преобразованием вверх (об этом много писалось, а вопросы лежат в другом аспекте). Показана схема только УПЧ-1 с преобразователями (СМ-1, СМ-2), кварцевым фильтром (КФ) и др. - все основные узлы обозначены красным текстом. В общем, схема из кусков (откуда они взяты - выделено зеленым). Вопросные места - выделены розовым. Вот эти вопросы:
1. С17 в схеме УПЧ-1-1 нужен? Он у Минчева не приводится, а в других схемах и у др. авторов есть.
2. Согласование КФ: по входу с транс-ра Т3, подключение КФ правильно? Какие-то дополнения нужны? Скажем, R эквививалентый по входу КФ, как и R15=270 Ом; по R15 тот же вопрос - правильно включен?
3. Схема УПЧ-1-2 на 2-затворнике VT4 взята с автомагнитолы, сверена с даташитом типичного включения в УКВ приемнике на LA1185. Поэтому номиналы не менял. Надо ли? Можно ли и нужно ли ставить другой транзистор, например BF964, -998 и проч.?
4. Согласование этого каскада на VT4 со входом микросхемы DA2 ТА7358 (ее аналог - LA1185, пишут, что она якобы лучше по шумам). Так вот, там стоит R21. Правильно ли? номинал? или как то схематически по другому? Сигнал взят с катушки связи L5, виnков 5-6 сверху L4.
5. Внизу схемы показан вариант подключения выхода КФ. Может так лучше, или даже полный контур с катушкой связи в сторону КФ взять за основу?
Вообще, по мне, чем меньше моточных узлов, тем лучше. Встречаю часто прямое, как сейчас на схеме, через емкость С29 подключение КФ к затвору. Это как? лучше? А вот в TRX Дружба-М поставлен полный контур...
Помогите, пожалуйста, что есть ху..же (лучше).
С уважением, INS.
Re: Трансивер "Стрекоза"
С17 нужен. но лучше с затвора 0,1мкф керамику на землюins wrote:1. С17 в схеме УПЧ-1-1 нужен? Он у Минчева не приводится, а в других схемах и у др. авторов есть.
R15 правильно и равен сопр. КФ. а вот Т3 надо зашунтировать резистором. он должен быть сопротивление = 4*R15 между стоком и С16L3ins wrote:2. Согласование КФ: по входу с транс-ра Т3, подключение КФ правильно? Какие-то дополнения нужны? Скажем, R эквививалентый по входу КФ, как и R15=270 Ом; по R15 тот же вопрос - правильно включен?
почитайте тут: viewtopic.php?f=11&t=97
я подробно расписывал согласование каскада с ОЗ и КФ
будет работать любой импортный двухзатворник серии BF9**ins wrote:3. Схема УПЧ-1-2 на 2-затворнике VT4 взята с автомагнитолы, сверена с даташитом типичного включения в УКВ приемнике на LA1185. Поэтому номиналы не менял. Надо ли? Можно ли и нужно ли ставить другой транзистор, например BF964, -998 и проч.?
R21 не нужен как на мой взглядins wrote:4. Согласование этого каскада на VT4 со входом микросхемы DA2 ТА7358 (ее аналог - LA1185, пишут, что она якобы лучше по шумам). Так вот, там стоит R21. Правильно ли? номинал? или как то схематически по другому? Сигнал взят с катушки связи L5, виnков 5-6 сверху L4.
так будет больше усиление. ну и соответственно больше склонность к возбудам, т.к. высокоомные входы выходу у упч. я бы так не делалins wrote:5. Внизу схемы показан вариант подключения выхода КФ. Может так лучше, или даже полный контур с катушкой связи в сторону КФ взять за основу?
в целом замечания по схеме такие:
1. первый смеситель на SA612 не позволить получить нормальную динамику.
2. выход у SA612 сравнительно высокоомный. посмотрите даташит - там сопротивления нагрузки внутри микросхемы 1.5ком
3. входное сопротивление каскада на КП903 низкое. будет несогласовано с выходом SA612
4. применение КП903 тут неоправдано, т.к. динамику он не улучшит. тут вполне подойдут J310 или BF245. но опять же - см. п.3
5. VT2 и все сопуствующее выбросить. при изменении режима будет меняться входное сопротивление. вобщем я бы такое не делал
6. 555ла3 выбросить. SA612й для запуска от внешнего генератора надо не более 100-200мв. зачем вам лишние наводки от цифры в схеме?
7. общее замечание - не делать столько усиления по сравнительно широкой первой пч. еще больше угробите динамику
Re: Трансивер с двумя ПЧ
Приветствую, А.Н.!
С задержкой, но излагаю свою постройку, которую я назвал бы "Тракт ПЧ с двумя преобразованиями". Как то так, ибо до трансивера далеко, и на чем работать в эфире есть (IC-7000). А любительское увлечение по постройке RX, чтобы и чувствительный, и не шумел, и с высокой селективностью, и все при минимально-достаточной легко повторяемой схемотехнике - вот чего хочется. Наверное, как у наших гуру любительского трансиверостроения не получиться, ну, что же - каждому свой уровень.
Топчусь пока на месте. Впрочем, во вложении тракт первого УПЧ. А чуть ниже ответы на Ваши замечания.
Далее, по ходу замечаний:
1. первый смеситель на SA612 не позволить получить нормальную динамику.
- Знаю, такое решение брал из Форума по стратегии построения TRX... мол буржуины все так делают... Буду думать, уже заготовил СМ на АДГ774... Но пока хочу остановиться на SA612 - не надо подбирать диоды, мотать трансформаторы и прочая "симметрия" применения СМД элементов отсутсвует...
2. выход у SA612 сравнительно высокоомный. посмотрите даташит - там сопротивления нагрузки внутри микросхемы 1.5 ком
- Привожу во вложении (ниже основной схемы) еще альтернативную 2-х-тактную схему каскада нв КТ368... Будет ли лучше согласование с выходом SA612?
3. входное сопротивление каскада на КП903 низкое, будет несогласовано с выходом SA612
-А там и просто выкину этот каскад на КП903 (вряд ли оправдано оставлять, или подскажете как). И еще, а если применить пьзкерамич. фильтр (естественно другая ПЧ=10,7 МГц)? Вот такой: 10М7А, ПП=+/-3,5 кГц при 3дБ, Rвх/вых=1,2 кОм - тогда с SA612 вроде напрямую может получиься согласование. без всяких доп. каскадов.
5. VT2 и все сопуствующее выбросить. При изменении режима будет меняться входное сопротивление. вобщем я бы такое не делал
- Хочется, все таки. Режимы RX/TX не будут меняются, будет только приемник. Потом по 2-му затвору АРУ бы... Буду спрашивать еще здесь, и посмотреть бы (посчитать), что получится с общим усилением по ПЧ-1, чтоб угадать не лишку и не мало... Тоже вопрос: каскад на акт. См SA612+двухтактный согл.каскад (или без него, если просто пьезфильтр с 1,2 кОм)+каскад усиления на 2-хзатворнике (для АРУ, в т.ч)
6. 555ла3 выбросить. SA612й для запуска от внешнего генератора надо не более 100-200мв. зачем вам лишние наводки от цифры в схеме?
- Да, правильно. Такой буффер меня соблазнил - там два выхода на ЦШ и на СМ от ГПД... Думаю, а может как-то с типовой схемой повторителя (эмитерного, истокового) поиграться? Вот как на схеме во вложении - все упрощено до минимума. Может так и надо?
7. общее замечание - не делать столько усиления по сравнительно широкой первой пч. еще больше угробите динамику.
- У меня получилась полоса КФ 2,8 кГц при 12 В управления. Привожу АЧХ при 12 В. Вот такая прямоугольность. Это же для SSB вполне достойная ПП? Вот посему, думаю, и усиление с каскадом УПЧ-1-2 на полевике оставить.
С уважением, ВВК.
С задержкой, но излагаю свою постройку, которую я назвал бы "Тракт ПЧ с двумя преобразованиями". Как то так, ибо до трансивера далеко, и на чем работать в эфире есть (IC-7000). А любительское увлечение по постройке RX, чтобы и чувствительный, и не шумел, и с высокой селективностью, и все при минимально-достаточной легко повторяемой схемотехнике - вот чего хочется. Наверное, как у наших гуру любительского трансиверостроения не получиться, ну, что же - каждому свой уровень.
Топчусь пока на месте. Впрочем, во вложении тракт первого УПЧ. А чуть ниже ответы на Ваши замечания.
Сделал, см. в "новой" схеме во вложении.Relayer wrote:С17 нужен. но лучше с затвора 0,1мкф керамику на землю... R15 правильно и равен сопр. КФ. а вот Т3 надо зашунтировать резистором. он должен быть сопротивление = 4*R15 между стоком и С16L3... R21 не нужен как на мой взгляд
Понятно,что номиналы емкости в истоке и по развязке (а они СМД, поэтому и не хочу трогать) около 2000 пФ пойдут для ПЧ=8-11 МГц.Relayer wrote:...будет работать любой импортный двухзатворник серии BF9**
Понял, активный См на SA612 усиление дает около 12-14 дБ...но хочется попробовать...Relayer wrote:так будет больше усиление. ну и соответственно больше склонность к возбудам, т.к. высокоомные входы выходу у упч. я бы так не делал
Далее, по ходу замечаний:
1. первый смеситель на SA612 не позволить получить нормальную динамику.
- Знаю, такое решение брал из Форума по стратегии построения TRX... мол буржуины все так делают... Буду думать, уже заготовил СМ на АДГ774... Но пока хочу остановиться на SA612 - не надо подбирать диоды, мотать трансформаторы и прочая "симметрия" применения СМД элементов отсутсвует...
2. выход у SA612 сравнительно высокоомный. посмотрите даташит - там сопротивления нагрузки внутри микросхемы 1.5 ком
- Привожу во вложении (ниже основной схемы) еще альтернативную 2-х-тактную схему каскада нв КТ368... Будет ли лучше согласование с выходом SA612?
3. входное сопротивление каскада на КП903 низкое, будет несогласовано с выходом SA612
-А там и просто выкину этот каскад на КП903 (вряд ли оправдано оставлять, или подскажете как). И еще, а если применить пьзкерамич. фильтр (естественно другая ПЧ=10,7 МГц)? Вот такой: 10М7А, ПП=+/-3,5 кГц при 3дБ, Rвх/вых=1,2 кОм - тогда с SA612 вроде напрямую может получиься согласование. без всяких доп. каскадов.
5. VT2 и все сопуствующее выбросить. При изменении режима будет меняться входное сопротивление. вобщем я бы такое не делал
- Хочется, все таки. Режимы RX/TX не будут меняются, будет только приемник. Потом по 2-му затвору АРУ бы... Буду спрашивать еще здесь, и посмотреть бы (посчитать), что получится с общим усилением по ПЧ-1, чтоб угадать не лишку и не мало... Тоже вопрос: каскад на акт. См SA612+двухтактный согл.каскад (или без него, если просто пьезфильтр с 1,2 кОм)+каскад усиления на 2-хзатворнике (для АРУ, в т.ч)
6. 555ла3 выбросить. SA612й для запуска от внешнего генератора надо не более 100-200мв. зачем вам лишние наводки от цифры в схеме?
- Да, правильно. Такой буффер меня соблазнил - там два выхода на ЦШ и на СМ от ГПД... Думаю, а может как-то с типовой схемой повторителя (эмитерного, истокового) поиграться? Вот как на схеме во вложении - все упрощено до минимума. Может так и надо?
7. общее замечание - не делать столько усиления по сравнительно широкой первой пч. еще больше угробите динамику.
- У меня получилась полоса КФ 2,8 кГц при 12 В управления. Привожу АЧХ при 12 В. Вот такая прямоугольность. Это же для SSB вполне достойная ПП? Вот посему, думаю, и усиление с каскадом УПЧ-1-2 на полевике оставить.
С уважением, ВВК.
- Attachments
-
- При 12 В.pdf
- (18.26 KiB) Downloaded 2601 times
Re: Трансивер с двумя ПЧ
я бы вообще выбросил все что между SA612 и КФ - толку от этого каскада имхо никакого. и КФ напрямую к выходу 612й
Re: Трансивер с двумя ПЧ
Согласен, уже писал по этому поводу. Там вроде и по сопротивлению пьезокерм.фильтр подходит к выходу SA612 (1,5 кОм - 1,2 кОм). Попробую на практике. Отпишусь здесь... Для более точного согласование можно попробовать применить LC-цепь... (расчитать программой RFSiim), или, что проще, последовательно со входом 10М7А поставить резистор 300 Ом. Как считаете, эти варианты приемлемы?
Еще уточню: "удалить" - это касается и двухтактного каскада, предлагаемого взамен КП903 (схема показана ниже основной схемы - каскад на 2-х КТ368)?
ВВК
Еще уточню: "удалить" - это касается и двухтактного каскада, предлагаемого взамен КП903 (схема показана ниже основной схемы - каскад на 2-х КТ368)?
ВВК
Re: Трансивер с двумя ПЧ
LC цепь вполне будет приемлема для согласования. собственно буржуи в своих микротрансиверах на 612й так и делают.
удалить - значит удалить все. и КП903 и двухтактник с ОБ. они там не нужны и не дают никакого выигрыша ни в чем
удалить - значит удалить все. и КП903 и двухтактник с ОБ. они там не нужны и не дают никакого выигрыша ни в чем
Re: Трансивер с двумя ПЧ
Спасибо за оперетивность, Андрей Николаевич! Понял - уберу эти (этот) каскад). Согласую пару вариантов. За пару дней отработаю схемку УПЧ-1 тиисну здесь раньше. Сквозную АЧХ эого куска приемного тракта не обещаю - похоже NWT "накрылся". Ну а насчет возбуждениия и приема "на слух" - опишу, как я это делаю...
Всего доброго, ВВК.
Всего доброго, ВВК.
Re: Трансивер с двумя ПЧ
Итак, хоть и с опозданием, рабочий вариант тракта. ПЧ1=10,7 МГц, потому что опорный стеклянный кварц на 8364 МГц, дающий после СМ2 вторую ПЧ=500 кГц, случайно разбил при монтаже. Теперь фильтр стоит из пьезокерамики - самый узкий, что есть у меня (+/-3,5 кГц) на 10,7 МГц. В ОГ теперь кварц 10,2 МГц (см.вложение).
Схема работает, но сразу вылезла проблема: пролезает сигнал ОГ на выход, почти 0,5 В. При этом модулированный АМ сигнал 10,7 МГц 50 мкВ с ГСС, подаваемый на С16, хорошо слышен приемником на удалении до 20 см насроенным на 500 кГц (к сожалению, его величину ВК7-9 не может измерить, а вот "фон" 10,2 МГц показывает 0,5 В - все это проверено методом исключения).
Как быть? снижать питание смесителя в микросхеме? Заменить дроссель(-ли) L4, L3 резистором(-ами)? Уменьшить питание через ножку 9 до вольт 3-4?
Виноват плотный монтаж?
Вот такие вопросы.
Схема работает, но сразу вылезла проблема: пролезает сигнал ОГ на выход, почти 0,5 В. При этом модулированный АМ сигнал 10,7 МГц 50 мкВ с ГСС, подаваемый на С16, хорошо слышен приемником на удалении до 20 см насроенным на 500 кГц (к сожалению, его величину ВК7-9 не может измерить, а вот "фон" 10,2 МГц показывает 0,5 В - все это проверено методом исключения).
Как быть? снижать питание смесителя в микросхеме? Заменить дроссель(-ли) L4, L3 резистором(-ами)? Уменьшить питание через ножку 9 до вольт 3-4?
Виноват плотный монтаж?
Вот такие вопросы.