Минитрансивер.
Минитрансивер.
Синтезатор к мини трансиверу?
Re: Минитрансивер.
Algol wrote:Синтезатор к мини трансиверу?
Last edited by Algol on 29 Jul 2018, 11:45, edited 1 time in total.
Re: Минитрансивер.
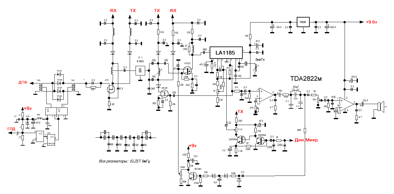
1. Смеситель. Надо поставить по резистору 50-100ом по каждому выходу логики на среднюю точку трансформаторов. Иначе вы рискуете перегрузить выходы используемой логики (см. в даташите предельный ток) или перегрузить диоды.
2. Реверсивный каскад на J310 между смесителем и КФ несогласован с КФ. Детально я об этом писал в разборе схемотехники трансивера UR5NKA
3. Каскад на КП327 нагружен на входное сопротивление УВЧв LA1185 которое составляет 50ом. Я не знаю какая крутизна у 327го, но у BF998, на котором обычно строят подобные каскады, крутизна порядка 20ма/в. Что дает Кус=1. Не думаю что у 327го крутизна больше. Тут надо в нагрузке ставить резонансный контур а LA1185 подключать к отводу для согласования сопротивлений. Или трансформаторо понижающий 1:2..4
4. Глубина АРУ определяется глубиной регулировки каскада на КП327. Не работал с КП327 но аналогичный каскад на BF998 при правильной схемотехнике имет Кус=-25..+20дб и глубину регулировки порядка 45дб. В вашем случае глубина АРУ будт всего лишь 25дб, что крайне мало.
5. Нагрузка УВЧ в LA1185 (3я нога) - вместо резистора 2.2ком поставить дроссель или резонансный контур
2. Реверсивный каскад на J310 между смесителем и КФ несогласован с КФ. Детально я об этом писал в разборе схемотехники трансивера UR5NKA
3. Каскад на КП327 нагружен на входное сопротивление УВЧв LA1185 которое составляет 50ом. Я не знаю какая крутизна у 327го, но у BF998, на котором обычно строят подобные каскады, крутизна порядка 20ма/в. Что дает Кус=1. Не думаю что у 327го крутизна больше. Тут надо в нагрузке ставить резонансный контур а LA1185 подключать к отводу для согласования сопротивлений. Или трансформаторо понижающий 1:2..4
4. Глубина АРУ определяется глубиной регулировки каскада на КП327. Не работал с КП327 но аналогичный каскад на BF998 при правильной схемотехнике имет Кус=-25..+20дб и глубину регулировки порядка 45дб. В вашем случае глубина АРУ будт всего лишь 25дб, что крайне мало.
5. Нагрузка УВЧ в LA1185 (3я нога) - вместо резистора 2.2ком поставить дроссель или резонансный контур
Re: Минитрансивер.
Пункты 1);2) исправляю. Пункт 3, следуя твоей логике 1:9 лучше. АРУ- на лучшую не претендую(усложниться схема).Может есть рекомендации? Пункт 5)- исправляю.
Re: Минитрансивер.
Нагрузкой КП327 лучше все же контур поставить с отводом или катушкой связи.
Дальше на мой взгляд надо паять и макетировать и исправлять уже по ходу движения
Дальше на мой взгляд надо паять и макетировать и исправлять уже по ходу движения
Re: Минитрансивер.
Да, контур был в стоке изначально.Но не получилось разместить его в габаритах платы.Схема уже была опробована только с другими УНЧ. Может сделаю на колечке 50ВЧ к7х4х2,но тогда необходим еще подстроечный конденсатор.Габариты пллаты ограничены размерами 80х82мм из-за имеющегося корпуса.
Re: Минитрансивер.
Подстроечный конденсатор не нужен. На этапе наладки ставите переменный, вгоняете в резонанс, измеряете и впаиваете близкий по номиналу
Re: Минитрансивер.
Мысль неплохая можно попробовать. Колечко стоя разместиться легко.Плату еще не закончил .но покажу о чем идет речь.
Андрей ,меня еще беспокооит синтезатор. Тот вариант,что я тебе писал - SI5351, WH1602,Aрдуино Про Мини. Помоему твой Nano VFO - это как раз то, что надо.
Андрей ,меня еще беспокооит синтезатор. Тот вариант,что я тебе писал - SI5351, WH1602,Aрдуино Про Мини. Помоему твой Nano VFO - это как раз то, что надо.
- Attachments
-
- Мини2 (2).zip
- (40.61 KiB) Downloaded 1040 times
Re: Минитрансивер.
А что синтезатор? Какие с ним проблемы? Собирайте и пробуйте