NanoVFO 3

умножители, ФАПЧ
UR5FFR
Site Admin
Posts: 2338
Joined: 21 Apr 2012, 22:00
Позывной: UR5FFR
Location: Odessa

NanoVFO 3

Post by UR5FFR »

Дальнейшее развитие проекта NanoVFO.
По сравнению с предыдущей версией существенно расширен функционал без усложнения схемы. Синтезатор стал применим не только для CW-проектов на один-два диапазона, но и для более серьезных многодиапазонных схем.
В качестве дисплея было решено остановиться на OLED с разрешение 128х64 и размером 1.3". Управление состоит из механического энкодера на 20 имп/оборот который работает в режиме удвоения/учетверения и пяти кнопок (одна на валкодере). Все кнопки имеют две функции - на короткое и на длительное нажатие.
Синтезатор умеет формировать сигналы управления для 5ти диапазонного ДПФ без дешифратора (до 16 диапазонов с дешифратором), аттенюатора, УВЧ. Для передачи телеграфа формируется сигнал самоконтроля и огибающей.
Добавлены энергонезависимые часы на DS3231 (опционально). Есть S-метр и процедура его калибровки через меню. Реализован CAT (протокол KENWOOD)
nanovfo3_front.jpg
nanovfo3_front.jpg (91.99 KiB) Viewed 72150 times
Синтезатор собран на плате размерами 10см*3.5см. Весь "колхоз" из "готовых" модулей ардуино, синтеза и часов убран из-за желания минимизировать размеры конструкции. Плата двухсторонняя в прямом сысле этого слова - компонены размещены на разных сторонах платы. Вид сзади (CH340, SI5351, TCXO, стабилизаторы)
nanovfo3_back.jpg
nanovfo3_back.jpg (70.09 KiB) Viewed 72150 times
Вид спереди без установленного OLED (процессор, DS3231)
nanovfo3_top.jpg
nanovfo3_top.jpg (62.36 KiB) Viewed 72150 times
Основательно переработана прошивка. Расширена система меню. Добавлен второй гетеродин и переключение между ними (VFOA/B). Реализован режим работы в SPLIT. Добавлен декодер телеграфа в режиме передачи.
nanovfo3_cw_send.jpg
nanovfo3_cw_send.jpg (89.59 KiB) Viewed 72150 times
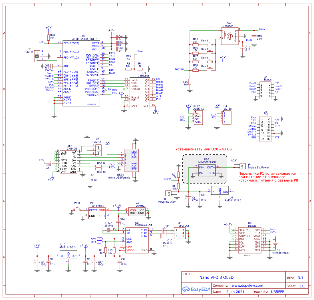
Схема синтезатора не имеет каких-то особенностей. Тактирование SI5351 может быть от кварцевого резонатора XTAL1 либо от активного генератора [TC]XO X1/X4 (устанавливается что-то одно). На плате есть стабилизатор питания 5в. Это либо AMS1117 U6 либо модуль DC-DC преобразователя MINI360 U20.
Кроме этого синтезатор может питаться от USB - при этом убирают перемычку P1.
Schematic_Nano-VFO-3.png
UR5FFR
Site Admin
Posts: 2338
Joined: 21 Apr 2012, 22:00
Позывной: UR5FFR
Location: Odessa

Re: NanoVFO 3

Post by UR5FFR »

Управление синтезатором осуществляется с помощью 4х кнопочной клавиатуры и 5й кнопки на валкодере
nanovfo3kbr.png
nanovfo3kbr.png (8.15 KiB) Viewed 72137 times
Все кнопки на клавиатуре имеют по две функции. Основная – вызывается просто нажатием кнопки. Вторичная – вызывается при длительном нажатии. Описание команд:
Band - переключение диапазона
Att/Pre - По кругу включает аттенюатор, УВЧ, или отключает оба
CW/LSB/USB – синтезатор сам выбирает режим в зависимости от диапазона и частоты настройки. С помощью этой команды можно принудительно изменить режим на требуемый
VFO A/B, A=B - на каждом диапазоне доступны два гетеродина с независимой частотой настройки. Кнопка позволяет переключаться между ними. При длительном нажатии устанавливает частоту второго гетеродина равной частоте текущего (запоминает текущую частоту во второй ячейке).
Lock - блокировка валкодера и команд клавиатуры, которые могут привести к изменению частоты настройки. При этом вспомогательные функции остаются доступными (например включение аттенюатора). Для отмены блокировки требуется повторное нажатие Lock
Menu – вызов меню
Zero - выставляет частоту "по нулям". Частота округляется до ближайшего целого числа kHz
CW MEMO – передача телеграфом предустановленных сообщений.
UR5FFR
Site Admin
Posts: 2338
Joined: 21 Apr 2012, 22:00
Позывной: UR5FFR
Location: Odessa

Re: NanoVFO 3

Post by UR5FFR »

Исходники и документация

Проект расшарен на EasyEDA https://oshwlab.com/ban.relayer/nano-vfo-3
Прошивка и документация на гитхабе https://github.com/andrey-belokon/NanoVFO_3
На проект написана небольшая документация по конфигурированию и использованию. Лежит так же на гитхабе. Прямая ссылка https://github.com/andrey-belokon/NanoV ... oVFO3.docx

Конструкция

Сборка не вызывает каких-то сложностей так как деталей минимальное количество. Все SMD типоразмер 0805.
В качестве доноров используется плата Arduino Nano откуда "сдуваем" феном процессор с кварцем, USB интерфейс CH340, 5ти вольтовый стаб и резисторы/конденсаторы из обвязки. CH340 некоторых версий не требуют внешнего кварца, на печатке можно установить оба варианта - место под кварц предусмотрено.

Если процессор берем "нулевый" то в него надо каким-то образом прошить бутлоадер, либо прошить непосредственно на плате подключив ISP к ногам PB3/4/5 которые выведены на разъем J1 KEY/TX/Band5, а Reset - припаять к R33/C63.

DS3231 и сокет под батарейку можно точно так же демонтировать с китайского модуля часов - это дешевле чем покупать по отдельности.

При установке DC-DC MINI360 5ти вольтовый AMS1117 не устанавливается. На схеме и разводке печатки перепутаны входы/выходы MINI360, это надо учесть при монтаже и устанавливать его "мордой" вниз. Перед установкой необходимо выставить подстроечным резистором на выходе модуля напряжение 5в и залить подстроечник краской/лаком чтобы не сбить настройку иначе рискум сжечь весь синтезатор от перегрузки питания.

Параллельно R20 навесом сверху рекомендуется установить блокировочный конденсатор емкостью 0.01 uF. Это снизит дребезг и наводки.
UR5FFR
Site Admin
Posts: 2338
Joined: 21 Apr 2012, 22:00
Позывной: UR5FFR
Location: Odessa

Re: NanoVFO 3

Post by UR5FFR »

Несколько моментов связанных с питанием синтезатора и использованием USB порта.

В случае установки 5ти вольтового стабилизатора U6 AMS1117-5.0 при установленной перемычке P1 можно подключать компьютер по USB без каких либо проблем.

В случае применения DC-DC преобразователя MINI360 при подключении USB разъема необходимо снять перемычку P1 иначе MINI360 начинает ощутимо греться. Это не является сложным при программировании синтезатора, но может быть проблемой при использовании CAT. Эта проблема решается очень просто - вместо P1 устанавливается диод (анодом к DC-DC) рассчитанный на ток не менее 100мА. Диод ставим шоттки для минимизации падения напряженния на нем.
UR5FFR
Site Admin
Posts: 2338
Joined: 21 Apr 2012, 22:00
Позывной: UR5FFR
Location: Odessa

Re: NanoVFO 3

Post by UR5FFR »

Новая версия 3.1. Отличия по сравнению с 3.0 следующие:

- исправлена разводка платы под DC-DC MINI360
- выведен наружу 3й выход сишки (у предыдущей версии были выведены только два из трех выходов)
- добавлен сдвиговый регистр 74HC595. это позволило освободить пины и сделать контроль питания, входы датчика КСВ и CW-декодера (в перспективе)
- на выход тона CW самоконтроля добавлен делитель и конденсатор для развязки
- все пины которые нужны для программирования через ISP доступны на разъемах
- плата переразведена. из-за увеличившегося количества сигналов добавлен дополнительный разъем
- ну и самое важное :) платы теперь красного цвета
nanovfo31_front.jpg
nanovfo31_front.jpg (50.57 KiB) Viewed 69299 times
Габариты и все прочие параметры остались без изменений. Прошивка универсальная и работает как с версией 3.0 так и с версией 3.1. Выбор версии происходит с помощью определения

Code: Select all

#define HARDWARE_3_1
в модуле config_hw.h
После всех переделок освободился один пин - он выведен на разъем под названием USR и пока никак не задействован в прошивке. Его можно использовать под свои цели написав соответствующий код.
Поддержка датчика КСВ и CW-декодера пока еще не реализована.
Schematic_Nano-VFO-3.1.png
Проект расшарен на EasyEDA https://oshwlab.com/ban.relayer/nano-vfo-3-1
Прошивка и документация на гитхабе https://github.com/andrey-belokon/NanoVFO_3
UR5FFR
Site Admin
Posts: 2338
Joined: 21 Apr 2012, 22:00
Позывной: UR5FFR
Location: Odessa

Re: NanoVFO 3

Post by UR5FFR »

К сведению собирающих. Оказывается у китайцев есть OLEDы 1.3 у которых выводы питания и земли идут в другой последовательности. Печатки рассчитаны на дисплеи с выводами Vcc/Gnd/SCL/SDA. Обращайте на это внимание при покупле дисплеев.
UR5FFR
Site Admin
Posts: 2338
Joined: 21 Apr 2012, 22:00
Позывной: UR5FFR
Location: Odessa

Re: NanoVFO 3

Post by UR5FFR »

Прошивка доработана для использования магниточувствительного датчика AS5600 в качестве энкодера.
Для включения поддержки надо в config_hw.h раскоментировать одну строчку:

Code: Select all

// раскоментировать при использовании AS5600
#define ENCODER_AS5600
Так как механический энкодер имеет в своем составе кнопку, которая отвечает за вызов меню, а при использовании AS5600 мы эту кнопку теряем, ее функции продублированы на левой верхней кнопке которая отвечала ранее за передачу предустановленных CW-сообщений. Теперь при одиночном нажатии происходит вход в меню/подменю, а при длительном - передача CW-сообщения. Функция "по нулям" которая вызывалась при длительном нажатии на кнопку механического энкодера при использовании AS5600 недоступна, что некритично из-за мелкого шага перестройки - 256 импульсов на оборот.

Схема подключения AS5600
as5600_encoder.png
as5600_encoder.png (11 KiB) Viewed 67712 times
+5v/SDA/SCL/GND берем с разъема H4 I2C Ext.
Прошивка залита на гитхаб.
3D-модель для энкодера на основе подшипника 25*37*7 доступна тут Магнитный энкодер для синтезатора
UR5FFR
Site Admin
Posts: 2338
Joined: 21 Apr 2012, 22:00
Позывной: UR5FFR
Location: Odessa

Re: NanoVFO 3

Post by UR5FFR »

Поступило несколько запросов с проблемой неправильного направления вращения энкодера. Скорее всего связано с энкодерами. "Лечится" так - в Encoder.cpp ищем строку

Code: Select all

val = Encoder_Value;
и заменяем ее на

Code: Select all

val = -Encoder_Value;
UR5FFR
Site Admin
Posts: 2338
Joined: 21 Apr 2012, 22:00
Позывной: UR5FFR
Location: Odessa

Re: NanoVFO 3

Post by UR5FFR »

Если синтезатор генерирует частоты со сдвигом то надо посмотреть что прописано в параметрах в подменю FREQ. Начинать надо с параметра "SI5351 XTAL". Он задает сдвиг в герцах +/- от частоты кварца прописанной в скетче. Дело в том, что при использовании кварцев сишка генерирует опорную частоту с небольшим сдвигом. Обычно для кварца 25МГц генерирует частота на 2-3кГц выше. Необходимо валкодером установить требуемый сдвиг. При входе в меню "SI5351 XTAL" на всех выводах синтезатора дублируется опорная частоат. Подключаем частотомер и измеряем ее. Предположим мы измерили 25002750Гц при установленном кварце 25МГц и прописанногй частоте в скетче в 25000000Гц. Вращая валкодер задаем значение параметра равное 2750. После подтверждения введенного значения нужно перегрузить синтезатор.

По умолчанию значение этого параметра выставлялось в +3000Гц (примерный сдвиг для кварца). Это не совсем правильно и вызывало путаницу, так как в случае использования (TC)XO частота генерируется точно "по нулям" и прошивка "из коробки" генерирует частоты со сдвигом. Сделал по умолчанию значение равное 0. Обновил прошивку на гитхабе
UR5FFR
Site Admin
Posts: 2338
Joined: 21 Apr 2012, 22:00
Позывной: UR5FFR
Location: Odessa

Re: NanoVFO 3

Post by UR5FFR »

Новая версия NanoVFO 3.2 square
По схеме и функционалу практически полностью совпадает с предыдущей верисей платы. Валкодер и часы на плате не расположены - это позволило существенно уменьшить размеры и довести их до габаритов спичечного коробка. Дисплей 1.3" или 0.96". Размер платы - 5см ширина на 4.5см высота.
nanovfo3_square.jpg
nanovfo3_square_band_menu.jpg
nanovfo3_square_band_menu.jpg (59.58 KiB) Viewed 55289 times
Так же на гитхабе обновлена прошивка до версии 3.2
- автодетект DS3231 RTC clock. если часы установлены/подключены то прошивка автоматически найдет их и отобразит время
- меню выбора диапазона высвечивается при нажатии кнопки переключения диапазона. выбор валкодером и повторным нажатием кнопки BAND
- гранулярность настройки. задает шаг настройки до которого округляется частота. по умолчанию выбрано 50гц. задается в конфиге
- выбор функции кнопки MEMO. если вам не нужен телеграф то на кнопку MEMO можно задать другие функции
- все новые возможности подробно описаны в документации

Раскладка кнопок
square_keyb.png
square_keyb.png (5.98 KiB) Viewed 53411 times
Проект расшарен тут: https://oshwlab.com/ban.relayer/nano-vfo-3-1_copy
Прошивка и документация на гитхабе https://github.com/andrey-belokon/NanoVFO_3
На проект написана небольшая документация по конфигурированию и использованию. Лежит так же на гитхабе. Прямая ссылка https://github.com/andrey-belokon/NanoV ... oVFO3.docx
nanovfo3_square_pcb.jpg
nanovfo3_square_pcb.jpg (76.93 KiB) Viewed 55289 times
Schematic_Nano-VFO-3.1-square.png
Энкодер подключается к разъему J4. Пины 1-2 - кнопка энкодера, 3-4 квадратурные выходы, 5 - земля.
Плата часов DS3231 подключается к разъему H4 I2C.

Перемычки P1P2 выбирают источник питания. При замкнутой P2 питание осуществляется от USB порта. При замкнутой P1 питание берется с разъема P8

По сборке все осталось в силе - читаем пост http://www.ur5ffr.com/viewtopic.php?p=1293#p1293
Post Reply