Схемные решения Raisin в качестве ПЧ для УКВ трансивера

UR5FFR
Site Admin
Posts: 2315
Joined: 21 Apr 2012, 22:00
Позывной: UR5FFR
Location: Odessa

Re: Схемные решения Raisin в качестве ПЧ для УКВ трансивера

Post by UR5FFR »

Нашел у себя в черновиках такую схему формирования трапеции для CW
cw shape.png
cw shape.png (21.83 KiB) Viewed 7894 times
Сигнал CW Key имеею положительную полярность и уровень не менее 2-3в. Хорошо подходит 5в логический сигнал. BFO CW сразу с SI 5351 берется. Выход через резистивный делитель -20..-30дб подаем сразу на КФ. Вместо BSS138 можно любые слаботочные MOSFET типа 2N7000 и тп. Схема не макетировалсь, но должна работать. Аналогичная схема ключевания используется в выходном каскаде одного зарубежного qrp трансивера
PS Аккуратно с китайскими 2N7000 - очень боятся статики, паять надо закоротив все ноги. При этом из старых партий не китайские - хоть бы что.
PupkinAlex
Posts: 57
Joined: 05 Nov 2020, 09:19

Re: Схемные решения Raisin в качестве ПЧ для УКВ трансивера

Post by PupkinAlex »

Relayer wrote:Пока не заморачиваясь с ключеванием и трапециями вот такой набросок из проверенных каскадов
Благодарю!
В общих чертах всё понятно, но вопросы остались..
1. Я правильно понял, что выходное сопротивление каскада ТХ с транформатором около 50 Ом?
2.
Relayer wrote:Если выдерживать выходное сопротивление непринципиально и нагрузкой каскада будет каскад с входным сопротивлением порядка 200-300ом то R19 можно исключить а T1 заменить на дроссель
Это один из моих самых "больных" вопросов.. Как определить/расчитать входное сопротивление "моих коробочек" ?
В частности - смесителей RX/TX.
3. Каким образом реализовать переключение входа/выхода ПЧ между смесителями 144 и 432 МГц.?
Или тут уже можно применить реле?
4. Где и каким образом будет реализован режим QRP?
5.
Relayer wrote: S9018 = BFR93. Вместо 2SC3357 можно тоже поставить BFR93 при этом снизив его ток до 20ма увеличив номинал R25 до 75ом.
Возможно ли эти транзисторы заменить на что-то из "наследия СССР"?
Например, S9018 на КТ368, или КТ355, а 2SC3357 на КТ610 ?
"Буржуйских" в наличии нет, а с али неохота заморачиваться из-за этой мелочи. :)

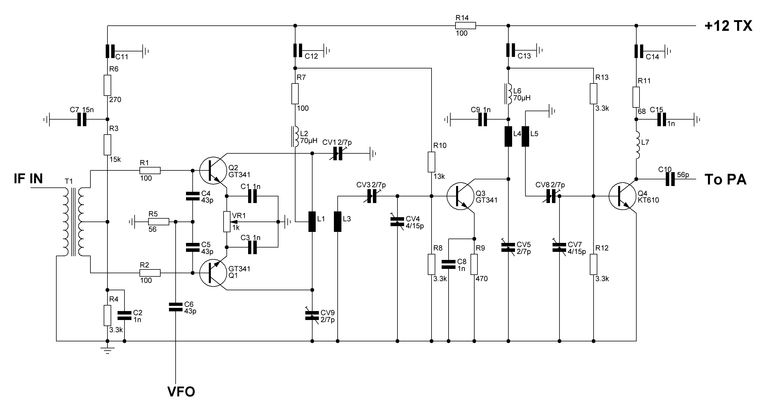
P.S. Добавляю схему смесителя ТХ для 432 МГц.
mixer_432TX.JPG
По поводу согласования сопротивления между узлами. Было бы очень хорошо, если бы его "подогнать" под 75 Ом.
У меня есть в наличии необходимое кол-во отличного 75-омного фторопластового кабеля. Им бы и хотелось выполнить межблочные соединения.

P.P.S. Ещё один момент давно напрягает - подскажите, пожалуйста, как правильно "разбросать" выход VFO между смесителями RX/TX?
В прежнем варианте было так -
VFO_out.JPG
VFO_out.JPG (24.13 KiB) Viewed 7845 times
Сейчас этот вариант что-то не внушает доверия.. Особенно в плане согласованности сопротивлений.
Last edited by PupkinAlex on 18 Nov 2020, 11:55, edited 1 time in total.
PupkinAlex
Posts: 57
Joined: 05 Nov 2020, 09:19

Re: Схемные решения Raisin в качестве ПЧ для УКВ трансивера

Post by PupkinAlex »

Relayer wrote:Нашел у себя в черновиках такую схему формирования трапеции для CW
Отлично! Очень даже красиво вписывается в проект.
Relayer wrote:Сигнал CW Key имеею положительную полярность и уровень не менее 2-3в. Хорошо подходит 5в логический сигнал.
Именно таким образом у меня сейчас и реализовано. Т.о. существенных изменений уже готового не потребует.
Можно даже сделать "впараллель". :)
Relayer wrote:Выход через резистивный делитель -20..-30дб подаем сразу на КФ.
А вот тут есть пара вопросов:
1. Куда конкретно подключать? Непосредственно к "правому", или к "левому" (по схеме) выводу КФ?
Напрямую выход аттенюатора, или через разделительный конденсатор?
И наверное, в режиме CW надо снимать питание с точки "ТХ" (которая к D7 подключена)?
2. На какое входное/выходное сопротивление собирать аттенюатор (Т-образный, например)? На 300 Ом?
Или он (аттенюатор) - как "отдельная конструкция" - вообще не нужен?
И достаточно будет всего лишь подобрать номинал R57?

P.S. Всё забываю спросить - а отчего у вас такой "личный неприязнь" к ADG774? :)
Насчёт их применения на 144 MHz и выше.
Видел "в интернетах" якобы успешную реализацию смесителей на ней.
Единственно, что уточняется - МС должна быть с буковкой "А".
Да и даташит вроде как вещает про Bandwidth >400 MHz. Для той, что с буковкой "А".
Может всё-таки есть резон рискнуть? Я готов, ежли шо. ;) Тем более, что ко мне уже едут четыре штучки с али..
Или сиё есть - "на заборе написано", что категорически подтверждено практикой?
UR5FFR
Site Admin
Posts: 2315
Joined: 21 Apr 2012, 22:00
Позывной: UR5FFR
Location: Odessa

Re: Схемные решения Raisin в качестве ПЧ для УКВ трансивера

Post by UR5FFR »

1. Я правильно понял, что выходное сопротивление каскада ТХ с транформатором около 50 Ом?
да
Как определить/расчитать входное сопротивление "моих коробочек" ? В частности - смесителей RX/TX.
Тут я вам не помошник. По правильному - взять векторник и измерить :) По неправильному - варьировать выходное сопротивление ПЧ и подбирать его по максимум сигнала на выходе конвертора - при правильном согласовании он будет максимальный
3. Каким образом реализовать переключение входа/выхода ПЧ между смесителями 144 и 432 МГц.? Или тут уже можно применить реле?
Тут наверное проще будет поставить реле
4. Где и каким образом будет реализован режим QRP?
А он нужен? Самое простое - поставить аттенюатор и релейную коммутацию. Это если "навесом" делать
Возможно ли эти транзисторы заменить на что-то из "наследия СССР"? Например, S9018 на КТ368, или КТ355, а 2SC3357 на КТ610 ?
да, вполне можно КТ368 использовать и КТ610
Ещё один момент давно напрягает - подскажите, пожалуйста, как правильно "разбросать" выход VFO между смесителями RX/TX?
Или поставить коммутатор на FSA3157 или реле
1. Куда конкретно подключать? Непосредственно к "правому", или к "левому" (по схеме) выводу КФ?
К правому конечно, чтобы сигнал прошел через КФ и обрезались гармоники.
Или он (аттенюатор) - как "отдельная конструкция" - вообще не нужен? И достаточно будет всего лишь подобрать номинал R57?
Достаточно будет подобрать номинал R57. Он вполне может быть порядка несокльких десятков кОм
вроде как вещает про Bandwidth >400 MHz. Для той, что с буковкой "А".
Bandwitch - это полоса частот которую может без ослабления пропустить через себя ключ во включенном состоянии. В смесителе это как бы ниочем. В смесителе гораздо более важнее время переключения ключа. Сравните тайминги этой адг с таймингами той же FSA3157.
Пусть кто-то где-то делает. Я не против. Есть логика на которой можно построить смеситель для двойки. Но ее не купить ни у нас ни на али. И это не адг774
UR5FFR
Site Admin
Posts: 2315
Joined: 21 Apr 2012, 22:00
Позывной: UR5FFR
Location: Odessa

Re: Схемные решения Raisin в качестве ПЧ для УКВ трансивера

Post by UR5FFR »

Входное сопротивление можно "прикинуть на коленке" следующим методом. На вход устройства подаем сигнал с ГСС с 50ти омным выходом. Если сомневаемся в импедансе выхода то через 50ти омный аттенюатор дб этак на 10-20. На выход подключаем вч-вольтметр или осциллограф. Фиксируем уровень сигнала на выходе. Тепер подключаем источник последовательно с резистором 100ом (безиндуктивным!! для вч хорошо подходят смд). Напряжение на выходе должно уменьшится в два раза. Чем больше отклонение от двух раз тем больше входное сопротивление отличается от 50 ом
PupkinAlex
Posts: 57
Joined: 05 Nov 2020, 09:19

Re: Схемные решения Raisin в качестве ПЧ для УКВ трансивера

Post by PupkinAlex »

Relayer wrote:
4. Где и каким образом будет реализован режим QRP?
А он нужен? Самое простое - поставить аттенюатор и релейную коммутацию. Это если "навесом" делать
Да, нужен. Для работы с усилителем мощности. Это будет не "полноценный QRP", а просто снижение выходной мощности трансивера до определённого значения.
А что если это реализовать вот так -
IF_QRP.png
IF_QRP.png (16.76 KiB) Viewed 7718 times
Только вот есть сомнения - будет ли вообще работать Q13 в качестве ключа без "постоянки" на стоке?
Relayer wrote:
Ещё один момент давно напрягает - подскажите, пожалуйста, как правильно "разбросать" выход VFO между смесителями RX/TX?
Или поставить коммутатор на FSA3157 или реле
А как конкретно будет выглядеть схема на FSA3157 ? И потянет ли она 420 Мгц?
Relayer wrote: Bandwitch - это полоса частот которую может без ослабления пропустить через себя ключ во включенном состоянии. В смесителе это как бы ниочем. В смесителе гораздо более важнее время переключения ключа.
Всё понятно. Слона-то я и не заметил! :)
Relayer wrote:Входное сопротивление можно "прикинуть на коленке" следующим методом...
А что дальше? Что и где "крутить"? Как подогнать входы/выходы смесителей под требуемый импеданс?
Этот момент поддаётся хотя бы примитивному расчёту, или нет?
UR5FFR
Site Admin
Posts: 2315
Joined: 21 Apr 2012, 22:00
Позывной: UR5FFR
Location: Odessa

Re: Схемные решения Raisin в качестве ПЧ для УКВ трансивера

Post by UR5FFR »

будет ли вообще работать Q13 в качестве ключа без "постоянки" на стоке?
будет. только тут у вас инверсия - при высоком уровне Кус больше
А как конкретно будет выглядеть схема на FSA3157 ?
Да какая там схема? Питание и управляющий сигнал подать.
И потянет ли она 420 Мгц?
А вы коммутирйте сигнал с синтеза который до 200МГц. А после коммутатора уже утроитель
А что дальше? Что и где "крутить"? Как подогнать входы/выходы смесителей под требуемый импеданс?
Этот момент поддаётся хотя бы примитивному расчёту, или нет?
Вы для начала измерьте. Может и крутить ничего не надо будет :)
PupkinAlex
Posts: 57
Joined: 05 Nov 2020, 09:19

Re: Схемные решения Raisin в качестве ПЧ для УКВ трансивера

Post by PupkinAlex »

Relayer wrote:
будет ли вообще работать Q13 в качестве ключа без "постоянки" на стоке?
будет. только тут у вас инверсия - при высоком уровне Кус больше
Ну это понятно. Сделаю инверсию выхода QRP на arduino.
Relayer wrote:
А как конкретно будет выглядеть схема на FSA3157 ?
Да какая там схема? Питание и управляющий сигнал подать.
И потянет ли она 420 Мгц?
А вы коммутирйте сигнал с синтеза который до 200МГц. А после коммутатора уже утроитель
Так 420 МГц тоже надо "раскидывать" между RX и TX.
Вообщем, после двухдневного выноса мозга, решил сваять коммутатор на пресловутых ADG774A.
Ну не зря же покупал. :)
Если уж в смесители они не алё, то в качестве переключателей наверное должны потянуть.
В результате родилась следующая "конструкция" -
switch.JPG
switch.JPG (111.8 KiB) Viewed 7604 times
Но уверенности в том, что в ней всё "ОК", нет.
Поэтому, большая просьба к Вам, Андрей, взглянуть опытным глазом и подсказать, что и где не так.

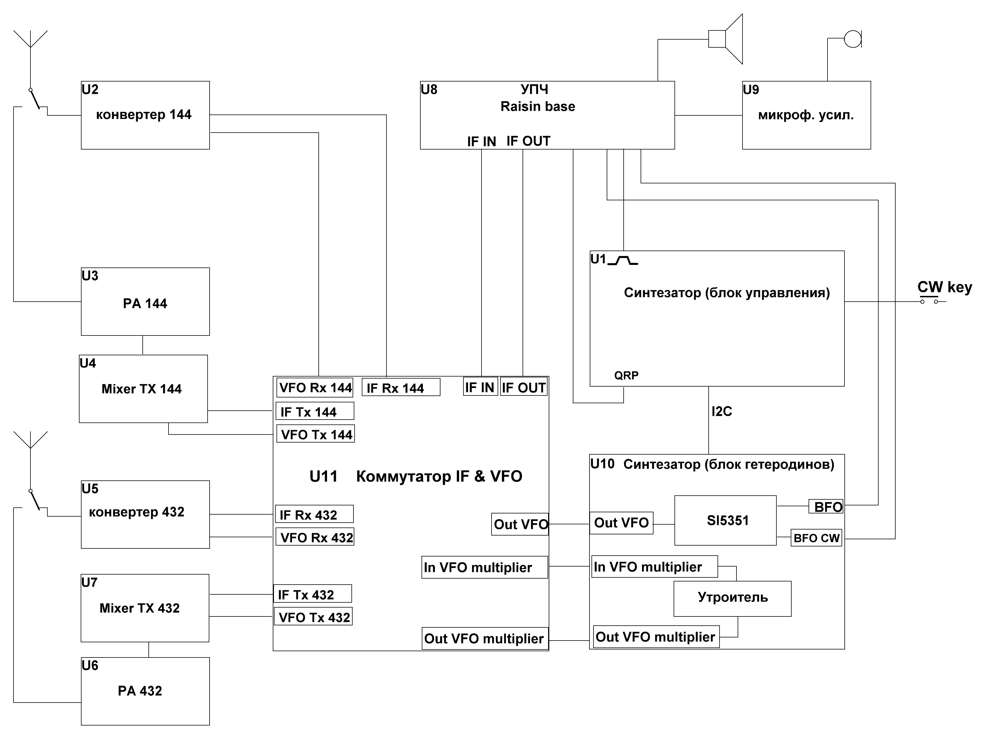
P.S. Для более полного понимания как сиё должно работать, немного подшаманил блок-схему TRX.
блок_схема_проект.JPG
UR5FFR
Site Admin
Posts: 2315
Joined: 21 Apr 2012, 22:00
Позывной: UR5FFR
Location: Odessa

Re: Схемные решения Raisin в качестве ПЧ для УКВ трансивера

Post by UR5FFR »

Вообщем, после двухдневного выноса мозга, решил сваять коммутатор на пресловутых ADG774A.
Вы бы в даташит заглянули - там график есть. на 400-500МГц они 6дб затухания дадут. Тут лучше подойдут такие ключи как AS169/AS179 - они до 2-3 гигов работают практически без потерь. Но им надо парафазное управление, что в принципе не проблема, но лишние детали
PupkinAlex
Posts: 57
Joined: 05 Nov 2020, 09:19

Re: Схемные решения Raisin в качестве ПЧ для УКВ трансивера

Post by PupkinAlex »

Relayer wrote:Вы бы в даташит заглянули - там график есть. на 400-500МГц они 6дб затухания дадут.

Вообще-то заглядывал.. Может не туда смотрел? :? Я уже писал, что в этих делах мне медведь на ухо наступил..
Это оно ? -
ADG774A.JPG
ADG774A.JPG (118.28 KiB) Viewed 7601 times
Если "да", то где-то около 3 db получается на 400-450 МГц, а 6 db в районе 600-650 МГц.. Или и 3 db будет лишкА?
Relayer wrote:Тут лучше подойдут такие ключи как AS169/AS179 - они до 2-3 гигов работают практически без потерь. Но им надо парафазное управление, что в принципе не проблема, но лишние детали
Гм.. Это смотря кому "не проблема". Я например, даже не представляю, что это такое и с чем его кушать.. :)
Тупик получается, однако.. :(

А в общих чертах схема корректная? Если исключить из неё то, что относится к 400 МГц, можно применить? Или не стОит?
Post Reply